Loading spinner

VNI8200XP

批量生产
Design Win Education

八通道高侧智能功率固态继电器,具有串行/并行可选片上接口

下载数据手册 Order Direct

产品概述

描述

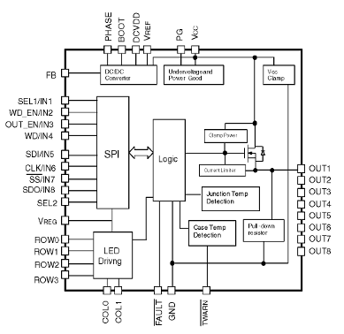
The VNI8200XP and VNI8200XP-32 are monolithic 8-channel drivers, designed in STMicroelectronics™ VIPower™ technology, intended to drive any kind of load with one side connected to ground. Both ICs operates from 10.5 V to 36 V and feature a very low supply current, parallel or 4-wires SPI control interface, 4x2 LED matrix and a micropower step-down switching regulator with peak current control loop mode.

The SPI interface (enabled by SEL2 pin = H) can work up to 5 MHz in 8-bits (SEL1 = L), or 16-bits (SEL1 = H) with parity check and extended diagnostic (DC-DC operation, Case over-temperature, SPI Communication Fail, Power Good) information. In SPI mode the daisy chain is allowed, both the OUT_EN signal and the MCU freeze detection by whatchdog are available. If enabled (WD_EN voltage above 25% of VREG), the watchdog circuitry generates an internal reset on expiry of the internal watchdog timer. The watchdog timer reset can be achieved by applying a negative pulse on the WD pin. The whatchdog timer can be programmed by the set voltage on WD_EN pin.

The internal LED matrix driver circuitry (4 rows, 2 columns) allows the efficient driving of the 8 LEDs reporting the on/off status of each of the 8 outputs. The VREG pin supplies both the logic output buffers and LED matrix. The 100 mA output current capability of the integrated step-down (featuring overload and short-circuit conditions) can be used to supply both the VREG pin and other application components (for example digital isolators or optocouplers).

Active per-channel current limitation (0.7 A and 1.0 A for VNI8200XP and VNI8200XP-32, respectively), combined with channel-independent thermal shutdown, protect the circuitry against overload and short circuit. Built-in thermal shutdown protects each channel from over-temperature and overload: each overheated channel automatically turns OFF after its junction temperature triggers the protection threshold (TTSD). The channel turns back ON if its junction temperature decreases lower than restart threshold (TR). An additional case temperature sensor protects the whole chip against over-temperature: if the case temperature triggers the TCSD threshold then overloaded channels are turned OFF and restart only when case temperature decreased down to the reset threshold (TCR). Non overloaded channels continue to operate normally.

Loss of GND protection guarantees automatic turn off the outputs in case of ground wire break.

Dedicated diagnostic pins report the detection of: invalid voltage range on VCC rail (PG pin), case over-temperature (TWARN pin), SPI fault or junction over-temperature (FAULT pin).

  • 所有功能

    • Voltage operating range 10.5 V to 36 V
    • UVLO with hysteresis
    • Output current: 0.7 A or 1.0 A (VNI8200XP or VNI8200XP-32) per channel
    • Low supply current in OFF (1 mA) and ON (5.3 mA) state
    • 5 V and 3.3 V compatible I/Os
    • Selectable interface on logic side SPI or parallel
    • 5 MHz SPI (8 or 16-bits) with output enable, daisy chain and MCU freeze detection
    • 100 mA DC-DC with integrated boot diode and adjustable output voltage
    • 4x2 LED matrix for efficient outputs state LEDs driving
    • Can drive all type (resistive, capacitive, inductive) of loads
    • Per-channel overload and short-circuit protection
    • Per-channel/independent overtemperature protection
    • Fast demagnetization of inductive loads (Vout clamp)
    • Overvoltage protection (VCC clamping)
    • Loss of GND protection
    • Power Good (supply voltage level) diagnostic
    • Common fault open drain output
    • IC warning temperature detection
    • PowerSSO-36 (10.3 x 10.3 mm) package
    • Designed to meet IEC61131-2, IEC61000-4-2, IEC61000-4-4 and IEC61000-4-5

电路原理图

您可能还会喜欢...

EDA符号、封装和3D模型

意法半导体 - VNI8200XP

Speed up your design by downloading all the EDA symbols, footprints and 3D models for your application. You have access to a large number of CAD formats to fit with your design toolchain.

Please select one model supplier :

Symbols

符号

Footprints

封装

3D model

3D模型

质量与可靠性

产品型号 Marketing Status 等级规格 符合RoHS级别 Longevity Commitment Longevity Starting Date 材料声明**
VNI8200XP
批量生产
PowerSSO 36 工业 Ecopack2 15 2020-01-01T00:00:00.000+01:00
VNI8200XPTR
批量生产
PowerSSO 36 工业 Ecopack2 15 2020-01-01T00:00:00.000+01:00

VNI8200XP

Package:

PowerSSO 36

Material Declaration**:

PDF XML

Marketing Status

批量生产

Package

PowerSSO 36

Grade

Industrial

RoHS Compliance Grade

Ecopack2

VNI8200XPTR

Package:

PowerSSO 36

Material Declaration**:

PDF XML

Marketing Status

批量生产

Package

PowerSSO 36

Grade

Industrial

RoHS Compliance Grade

Ecopack2

(**) st.com上提供的材料声明表单可能是基于包装系列中最常用的封装的通用文档。因此,它们可能不是100%适用于特定的设备。有关特定设备的信息,请联系 销售支持

样片和购买

Loading...
Swipe or click the button to explore more details Don't show this again
产品型号
供货状态
Budgetary Price (US$)*/Qty
从ST订购
Order from distributors
包装类型
RoHS
Country of Origin
ECCN (US)
ECCN (EU)
VNI8200XP
Available at distributors

经销商的可用性 VNI8200XP

代理商名称
地区 库存 最小订购量 第三方链接

代理商库存报告日期:

无法联系到经销商,请联系我们的销售办事处
VNI8200XPTR
Available at distributors

经销商的可用性 VNI8200XPTR

代理商名称
地区 库存 最小订购量 第三方链接

代理商库存报告日期:

无法联系到经销商,请联系我们的销售办事处

VNI8200XP 批量生产

Budgetary Price (US$)*/Qty:
-
包:
包装类型:
RoHS:
Country of Origin:
ECCN (US):
ECCN (EU):

产品型号:

VNI8200XP

代理商名称

代理商库存报告日期:

VNI8200XPTR 批量生产

Budgetary Price (US$)*/Qty:
-
包:
包装类型:
RoHS:
Country of Origin:
ECCN (US):
ECCN (EU):

产品型号:

VNI8200XPTR

代理商名称

代理商库存报告日期:

Swipe or click the button to explore more details Don't show this again

(*) 建议转售单价(美元)仅用于预算用途。如需以当地货币计价的报价,请联系您当地的 ST销售办事处 或我们的 经销商