Loading spinner

PWD5F60

批量生产
Design Win Education Education

高密度功率驱动器 - 高压全桥与集成式比较器

下载数据手册

产品概述

描述

PWD5F60是一款先进的system-in-package产品,集成了栅驱动器和双半桥四个N通道功率MOSFETs。

集成功率MOSFET具有1.38Ω的RDS(ON) 和600 V漏极 - 源极击穿电压,而集成的自举二极管可以帮助轻松提供上桥臂的栅极驱动。该器件的高集成度可以在狭小的空间内有效地驱动负载。

PWD5F60可接受宽范围(10 V至20 V)的电源电压(VCC), 并在下部和上部驱动部分都具有UVLO保护功能, 可防止电源开关在低效率或危险条件下工作。

该输入引脚扩展范围允许与微控制器, DSP单元或霍尔效应传感器轻松连接。

PWD5F60内嵌两个独立的比较器,可用于防止过流,过温等保护。

PWD5F60的工作温度范围为-40°C至125°C。

该器件采用紧凑型VFQFPN封装。

  • 所有功能

    • 集成栅极驱动和高压功率MOSFET的封装电力系统
      • RDS(ON) = 1.38 Ω
      • BVDSS = 600 V
    • 适合作为
      • 全桥接线法
      • 双独立半桥
    • 低侧和高侧UVLO保护
    • 3.3V至15V兼容的滞后和下拉输入
    • 内置自举二极管
    • 独立的比较器
    • 可调死区
    • 物料削减单
    • 非常紧凑和简化的布局
    • 灵活、简便、快速的设计

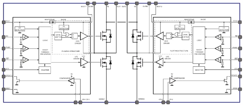
电路原理图

您可能还会喜欢...

EDA符号、封装和3D模型

意法半导体 - PWD5F60

Speed up your design by downloading all the EDA symbols, footprints and 3D models for your application. You have access to a large number of CAD formats to fit with your design toolchain.

Please select one model supplier :

Symbols

符号

Footprints

封装

3D model

3D模型

质量与可靠性

产品型号 Marketing Status 等级规格 符合RoHS级别 Longevity Commitment Longevity Starting Date 材料声明**
PWD5F60
批量生产
QFN.150.70.10-46L 工业 Ecopack2 15 2021-01-01T00:00:00.000+01:00
PWD5F60TR
批量生产
QFN.150.70.10-46L 工业 Ecopack2 15 2021-01-01T00:00:00.000+01:00

PWD5F60

Package:

QFN.150.70.10-46L

Material Declaration**:

PDF XML

Marketing Status

批量生产

Package

QFN.150.70.10-46L

Grade

Industrial

RoHS Compliance Grade

Ecopack2

PWD5F60TR

Package:

QFN.150.70.10-46L

Material Declaration**:

PDF XML

Marketing Status

批量生产

Package

QFN.150.70.10-46L

Grade

Industrial

RoHS Compliance Grade

Ecopack2

(**) st.com上提供的材料声明表单可能是基于包装系列中最常用的封装的通用文档。因此,它们可能不是100%适用于特定的设备。有关特定设备的信息,请联系 销售支持

样片和购买

Loading...
Swipe or click the button to explore more details Don't show this again
产品型号
供货状态
Budgetary Price (US$)*/Qty
从ST订购
Order from distributors
包装类型
RoHS
Country of Origin
ECCN (US)
ECCN (EU)
Operating temperature (°C)
最小值
最大值
PWD5F60TR
Available at distributors

经销商的可用性 PWD5F60TR

代理商名称
地区 库存 最小订购量 第三方链接

代理商库存报告日期:

无法联系到经销商,请联系我们的销售办事处
PWD5F60
Available at distributors

经销商的可用性 PWD5F60

代理商名称
地区 库存 最小订购量 第三方链接

代理商库存报告日期:

无法联系到经销商,请联系我们的销售办事处

PWD5F60TR 批量生产

Budgetary Price (US$)*/Qty:
-
包:
包装类型:
RoHS:
Country of Origin:
ECCN (US):
ECCN (EU):

产品型号:

PWD5F60TR

Operating Temperature (°C)

Min:

Max:

代理商名称

代理商库存报告日期:

PWD5F60 批量生产

Budgetary Price (US$)*/Qty:
-
包:
包装类型:
RoHS:
Country of Origin:
ECCN (US):
ECCN (EU):

产品型号:

PWD5F60

Operating Temperature (°C)

Min:

Max:

代理商名称

代理商库存报告日期:

Swipe or click the button to explore more details Don't show this again

(*) 建议转售单价(美元)仅用于预算用途。如需以当地货币计价的报价,请联系您当地的 ST销售办事处 或我们的 经销商