L6376

批量生产
Design Win Education

0.5A高侧驱动器四路智能电源开关

下载数据手册 Order Direct

产品概述

描述

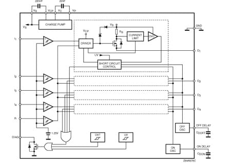
This device is a monolithic quad intelligent power switch in multipower BCD technology, for driving inductive, capacitive or resistive loads. Diagnostic for CPU feedback and extensive use of electrical protections make this device inherently indistructible and suitable for general purpose industrial applications.

  • 所有功能

    • Presettable delay for overcurrent
    • External asynchronous reset input
    • Open ground protection
    • Diagnostic
    • ESD protection (human body model ± 2 kV)
    • Immunity against burst transient (IEC 61000-4-4)
    • Under voltage lockout with hysteresys
    • Thermal shutdown
    • Multipower BCD technology
    • 9.5 to 35 V supply voltage range
    • 0.5 A four independent outputs
    • Non-dissipative over-current protection
    • Diagnostic output for under voltage, over temperature and over current
    • Internal current limit

电路原理图

EDA符号、封装和3D模型

意法半导体 - L6376

Speed up your design by downloading all the EDA symbols, footprints and 3D models for your application. You have access to a large number of CAD formats to fit with your design toolchain.

Please select one model supplier :

Symbols

符号

Footprints

封装

3D model

3D模型

质量与可靠性

产品型号 Marketing Status 等级规格 符合RoHS级别 Longevity Commitment Longevity Starting Date 材料声明**
L6376D
批量生产
PowerSO-20 工业 Ecopack2 (**) 15 2020-01-01T00:00:00.000+01:00
L6376D013TR
批量生产
PowerSO-20 工业 Ecopack2 (**) 15 2020-01-01T00:00:00.000+01:00

L6376D

Package:

PowerSO-20

Material Declaration**:

PDF XML

Marketing Status

批量生产

Package

PowerSO-20

Grade

Industrial

RoHS Compliance Grade

Ecopack2 (**)

L6376D013TR

Package:

PowerSO-20

Material Declaration**:

PDF XML

Marketing Status

批量生产

Package

PowerSO-20

Grade

Industrial

RoHS Compliance Grade

Ecopack2 (**)

(**) st.com上提供的材料声明表单可能是基于包装系列中最常用的封装的通用文档。因此,它们可能不是100%适用于特定的设备。有关特定设备的信息,请联系 销售支持

样片和购买

Loading...
Swipe or click the button to explore more details Don't show this again
产品型号
供货状态
Budgetary Price (US$)*/Qty
从ST订购
Order from distributors
包装类型
RoHS
Country of Origin
ECCN (US)
ECCN (EU)
Operating Temperature (°C) (min)
L6376D
Available at distributors

经销商的可用性 L6376D

代理商名称
地区 库存 最小订购量 第三方链接

代理商库存报告日期:

无法联系到经销商,请联系我们的销售办事处

L6376D013TR
Available at distributors

经销商的可用性 L6376D013TR

代理商名称
地区 库存 最小订购量 第三方链接

代理商库存报告日期:

无法联系到经销商,请联系我们的销售办事处

L6376D 批量生产

Budgetary Price (US$)*/Qty:
-
包:
包装类型:
RoHS:
Country of Origin:
ECCN (US):
ECCN (EU):

产品型号:

L6376D

Operating Temperature (°C) (min):

-25

代理商名称

代理商库存报告日期:

L6376D013TR 批量生产

Budgetary Price (US$)*/Qty:
-
包:
包装类型:
RoHS:
Country of Origin:
ECCN (US):
ECCN (EU):

产品型号:

L6376D013TR

Operating Temperature (°C) (min):

-25

代理商名称

代理商库存报告日期:

Swipe or click the button to explore more details Don't show this again

(*) 建议转售单价(美元)仅用于预算用途。如需以当地货币计价的报价,请联系您当地的 ST销售办事处 或我们的 经销商