L4972
Obsolete
Design Win
2 A开关稳压器

Download datasheet

Product overview

描述

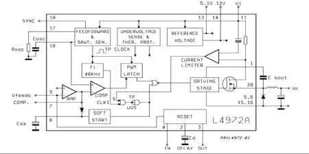
The L4972A is a stepdown monolithic power switching regulator delivering 2A at a voltage variable from 5.1 to 40V.

Realized with BCD mixed technology, the device uses a DMOS output transistor to obtain very high efficiency and very fast switching times. Features of the L4972 include reset and power fail for microprocessors, feed forward line regulation, soft start, limiting current and thermal protection. The device is mounted in a Powerdip 16 + 2 + 2 and SO20 large plastic packages and requires few external components. Efficient operation at switching frequencies up to 200KHz allows reduction in the size and cost of external filter component.

  • All features

    • PWM LATCH FOR SINGLE PULSE PER PERIOD
    • UNDER VOLTAGE LOCK OUT WITH HYSTERETIC TURN-ON
    • SWITCHING FREQUENCY UP TO 200KHz
    • VERY HIGH EFFICIENCY
    • CONTINUOUS MODE OPERATION
    • THERMAL SHUTDOWN
    • RESET AND POWER FAIL FUNCTIONS
    • PRECISE 5.1V ± 2% ON CHIP REFERENCE
    • 2A OUTPUT CURRENT
    • 0 TO 90% DUTY CYCLE RANGE
    • 5.1V TO 40V OUTPUT VOLTAGE RANGE
    • INTERNAL CURRENT LIMITING
    • INPUT/OUTPUT SYNC PIN
    • INTERNAL FEED-FORWARD LINE REG.

电路原理图

EDA Symbols, Footprints and 3D Models

STMicroelectronics - L4972

Speed up your design by downloading all the EDA symbols, footprints and 3D models for your application. You have access to a large number of CAD formats to fit with your design toolchain.

Please select one model supplier :

Symbols

Symbols

Footprints

Footprints

3D model

3D models