Loading spinner

L4970A

已停产
Design Win

10 A开关稳压器

下载数据手册

产品概述

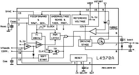
描述

The L4970A is a stepdown monolithic power switching regulator delivering 10A at a voltage variable from 5.1 to 40V.

Realized with BCD mixed technology, the device uses a DMOS output transistor to obtain very high efficiency and very fast switching times. Features of the L4970A include reset and power fail for microprocessors, feed forward line regulation, soft start, limiting current and thermal protection. The device is mounted in a 15-lead multiwatt plastic power package and requires few external components.Efficient operation at switching frequencies up to 500KHz allows reduction in the size and cost of external filter components.

  • 所有功能

    • UNDER VOLTAGE LOCK OUT WITH HYSTERETIC TURN-ON
    • INPUT/OUTPUT SYNC PIN
    • VERY HIGH EFFICIENCY
    • PWM LATCH FOR SINGLE PULSE PER PERIOD
    • THERMAL SHUTDOWN
    • SWITCHING FREQUENCY UP TO 500KHz
    • CONTINUOUS MODE OPERATION
    • RESET AND POWER FAIL FUNCTIONS
    • PRECISE 5.1V ± 2% ON CHIP REFERENCE
    • 10A OUTPUT CURRENT
    • 0 TO 90% DUTY CYCLE RANGE
    • 5.1V TO 40V OUTPUT VOLTAGE RANGE
    • INTERNAL CURRENT LIMITING
    • SOFT START
    • INTERNAL FEED-FORWARD LINE REGULATION

电路原理图

EDA符号、封装和3D模型

意法半导体 - L4970A

Speed up your design by downloading all the EDA symbols, footprints and 3D models for your application. You have access to a large number of CAD formats to fit with your design toolchain.

Please select one model supplier :

Symbols

符号

Footprints

封装

3D model

3D模型