Loading spinner

L99DZ70XP

批量生产
Design Win Education

车门致动器驱动器,具有6个桥,用于双路门锁控制、后视镜折叠和后视镜轴控制以及后视镜高侧驱动器

下载数据手册

产品概述

描述

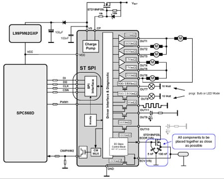
The L99DZ70XP is a microcontroller driven multifunctional door actuator driver for automotive applications. Up to five DC motors and five grounded resistive loads can be driven with six half bridges and five highside drivers. An electrochromic mirror glass can be controlled using the integrated SPI-driven module in conjunction with an external MOS transistor. The integrated SPI controls all operating modes (forward, reverse, brake and high impedance). Also all diagnostic information is available via SPI read.

  • 所有功能

    • One full bridge for 6 A load (Ron = 150 mΩ)
    • Two half bridges for 3 A load (Ron = 300 mΩ)
    • Two half bridges for 0.75 A load (Ron = 1600 mΩ)
    • One highside driver for 6 A load (Ron = 90 mΩ)
    • Two configurable highside drivers for up to 1.5 A load (Ron = 500 mΩ) or 0.4 A (Ron = 1800 mΩ)
    • Two highside drivers for 0.5 A load (Ron = 1600 mΩ)
    • Programmable softstart function to drive loads with higher inrush currents as current limitation value
    • Very low current consumption in standby mode (IS< 6 μA typ; Tj ≤ 85 °C; ICC< 5 μA typ; Tj≤ 85 °C)
    • Current monitor output for all highside drivers
    • Device contains temperature warning and protection
    • Openload detection for all outputs
    • Over-current protection for all otputs
    • Separated half bridges for door lock motor
    • PWM control of all outputs
    • Charge pump output for reverse polarity protection
    • STM standard serial peripheral interface (ST-SPI 3.0)
    • Control block for electrochromic element
    • Door actuator driver with 6 bridges for double door lock control, mirror fold and mirror axis control, highside driver for mirror defroster, bulbs and LEDs (replacement for L9950). Control block with external MOS transistor for charging / discharging of electrochromic glass.

电路原理图

EDA符号、封装和3D模型

意法半导体 - L99DZ70XP

Speed up your design by downloading all the EDA symbols, footprints and 3D models for your application. You have access to a large number of CAD formats to fit with your design toolchain.

Please select one model supplier :

Symbols

符号

Footprints

封装

3D model

3D模型

质量与可靠性

产品型号 Marketing Status 等级规格 符合RoHS级别 Longevity Commitment Longevity Starting Date 材料声明**
L99DZ70XP
批量生产
PowerSSO 36 汽车应用 Ecopack2 10 2024-05-28T00:00:00.000+02:00
L99DZ70XPTR
批量生产
PowerSSO 36 汽车应用 Ecopack2 10 2024-05-28T00:00:00.000+02:00

L99DZ70XP

Package:

PowerSSO 36

Material Declaration**:

PDF

Marketing Status

批量生产

Package

PowerSSO 36

Grade

Automotive

RoHS Compliance Grade

Ecopack2

L99DZ70XPTR

Package:

PowerSSO 36

Material Declaration**:

PDF

Marketing Status

批量生产

Package

PowerSSO 36

Grade

Automotive

RoHS Compliance Grade

Ecopack2

(**) st.com上提供的材料声明表单可能是基于包装系列中最常用的封装的通用文档。因此,它们可能不是100%适用于特定的设备。有关特定设备的信息,请联系 销售支持

样片和购买

Loading...
Swipe or click the button to explore more details Don't show this again
产品型号
供货状态
Budgetary Price (US$)*/Qty
从ST订购
Order from distributors
包装类型
RoHS
Country of Origin
ECCN (US)
ECCN (EU)
Operating temperature (°C)
最小值
最大值
L99DZ70XP
Available at distributors

经销商的可用性 L99DZ70XP

代理商名称
地区 库存 最小订购量 第三方链接

代理商库存报告日期:

无法联系到经销商,请联系我们的销售办事处
L99DZ70XPTR
Available at distributors

经销商的可用性 L99DZ70XPTR

代理商名称
地区 库存 最小订购量 第三方链接

代理商库存报告日期:

无法联系到经销商,请联系我们的销售办事处

L99DZ70XP 批量生产

Budgetary Price (US$)*/Qty:
-
包:
包装类型:
RoHS:
Country of Origin:
ECCN (US):
ECCN (EU):

产品型号:

L99DZ70XP

Operating Temperature (°C)

Min:

Max:

代理商名称

代理商库存报告日期:

L99DZ70XPTR 批量生产

Budgetary Price (US$)*/Qty:
-
包:
包装类型:
RoHS:
Country of Origin:
ECCN (US):
ECCN (EU):

产品型号:

L99DZ70XPTR

Operating Temperature (°C)

Min:

Max:

代理商名称

代理商库存报告日期:

Swipe or click the button to explore more details Don't show this again

(*) 建议转售单价(美元)仅用于预算用途。如需以当地货币计价的报价,请联系您当地的 ST销售办事处 或我们的 经销商