L9953
NRND
Design Win
车门致动器驱动器

Download datasheet

Product overview

描述

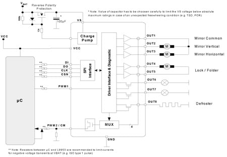
The L9953 and L9953XP are microcontroller driven multifunctional door actuator driver for automotive applications. Up to three DC motors and three grounded resistive loads can be driven with five half bridges and three highside drivers.

The integrated standard serial peripheral interface (SPI) controls all operation modes (forward, reverse, brake and high impedance). All diagnostic informations are available via SPI.

  • All features

    • Open load diagnostic for all outputs
    • All outputs over temperature protected
    • Separated half bridges for door lock motor
    • Overload diagnostic for all outputs
    • Charge pump output for reverse polarity protection
    • PWM control of all outputs
    • All outputs short circuit protected
    • Very low current consumption in stand-by mode (IS < 6μA typ; Tj ≤ 85 °C)
    • One full bridge for 6A load (Ron=150m )
    • One highside driver for 6A load (Ron=100m )
    • Three half bridges for 1.5A load (Ron=800m )
    • Programmable softstart function to drive loads with higher inrush currents (i.e. current >6A, >1.5A)
    • Current monitor output for highside OUT1, OUT4, OUT5 and OUT8
    • Two highside drivers for 1.5A load (Ron=800m )

电路原理图

EDA Symbols, Footprints and 3D Models

STMicroelectronics - L9953

Speed up your design by downloading all the EDA symbols, footprints and 3D models for your application. You have access to a large number of CAD formats to fit with your design toolchain.

Please select one model supplier :

Symbols

Symbols

Footprints

Footprints

3D model

3D models

Quality and Reliability

Part Number Marketing Status Package Grade 符合RoHS级别 Longevity Commitment Longevity Starting Date Material Declaration**
L9953XP
NRND
PowerSSO 36 Automotive Ecopack2 - -
L9953XPTR
NRND
PowerSSO 36 Automotive Ecopack2 - -

L9953XP

Package:

PowerSSO 36

Material Declaration**:

PDF XML

Marketing Status

NRND

Package

PowerSSO 36

Grade

Automotive

RoHS Compliance Grade

Ecopack2

L9953XPTR

Package:

PowerSSO 36

Material Declaration**:

PDF XML

Marketing Status

NRND

Package

PowerSSO 36

Grade

Automotive

RoHS Compliance Grade

Ecopack2

(**) st.com上提供的材料声明表单可能是基于包装系列中最常用的封装的通用文档。因此,它们可能不是100%适用于特定的设备。有关特定设备的信息,请联系 销售支持

Sample & Buy

Loading...
Part Number
供货状态
Budgetary Price (US$)*/Qty
从ST订购
Order from distributors
Package
Packing Type
RoHS
Country of Origin
ECCN (US)
ECCN (EU)
L9953XP

经销商的可用性 L9953XP

代理商名称
地区 Stock 最小订购量 第三方链接

代理商库存报告日期:

无法联系到经销商,请联系我们的销售办事处
L9953XPTR

经销商的可用性 L9953XPTR

代理商名称
地区 Stock 最小订购量 第三方链接

代理商库存报告日期:

无法联系到经销商,请联系我们的销售办事处

L9953XP NRND

Budgetary Price (US$)*/Qty:
-
Package:
Packing Type:
RoHS:
Country of Origin:
ECCN (US):
ECCN (EU):

Part Number:

L9953XP

代理商名称

代理商库存报告日期:

L9953XPTR NRND

Budgetary Price (US$)*/Qty:
-
Package:
Packing Type:
RoHS:
Country of Origin:
ECCN (US):
ECCN (EU):

Part Number:

L9953XPTR

代理商名称

代理商库存报告日期:

(*) 建议转售单价(美元)仅用于预算用途。如需以当地货币计价的报价,请联系您当地的 ST销售办事处 或我们的 经销商