Loading spinner

TS4984

批量生产
Design Win

2 x 1W立体声音频功率放大器,支持低电平有效待机模式

下载数据手册 Order Direct

产品概述

描述

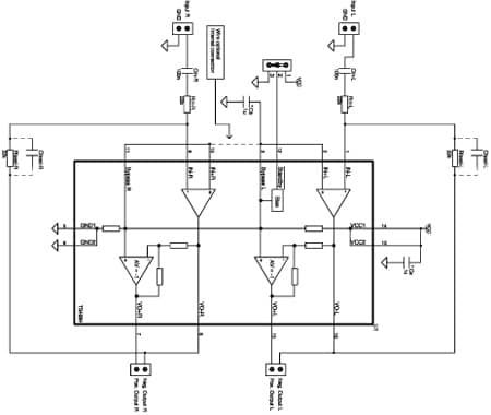
The TS4984 has been designed for top of the class stereo audio applications. Thanks to its compact and power dissipation efficient QFN package, it suits various applications.

With a BTL configuration, this Audio Power Amplifier is capable of delivering 1W per channel of continuous RMS output power into an 8Ω load @ 5V.

An externally controlled standby mode control reduces the supply current to less than 10nA per channel. The device also features an internal thermal shutdown protection.

The gain of each channel can be configured by external gain setting resistors.

  • 所有功能

    • Available in QFN16 4x4 mm, 0.5mm pitch, leadfree package
    • Near-zero pop & click
    • Operating from VCC=2.2V to 5.5V
    • 10nA standby current
    • 1W output power per channel @ VCC=5V, THD+N=1%, RL=8Ω
    • High SNR: 100dB(A) typ.
    • 62dB PSRR @ 217Hz with grounded inputs

电路原理图

EDA符号、封装和3D模型

意法半导体 - TS4984

Speed up your design by downloading all the EDA symbols, footprints and 3D models for your application. You have access to a large number of CAD formats to fit with your design toolchain.

Please select one model supplier :

Symbols

符号

Footprints

封装

3D model

3D模型

质量与可靠性

产品型号 Marketing Status 等级规格 符合RoHS级别 Longevity Commitment Longevity Starting Date 材料声明**
TS4984IQT
批量生产
VFQFPN 16 4x4x1.0 工业 Ecopack1 - -

TS4984IQT

Package:

VFQFPN 16 4x4x1.0

Material Declaration**:

PDF XML

Marketing Status

批量生产

Package

VFQFPN 16 4x4x1.0

Grade

Industrial

RoHS Compliance Grade

Ecopack1

(**) st.com上提供的材料声明表单可能是基于包装系列中最常用的封装的通用文档。因此,它们可能不是100%适用于特定的设备。有关特定设备的信息,请联系 销售支持

样片和购买

Loading...
Swipe or click the button to explore more details Don't show this again
产品型号
供货状态
Budgetary Price (US$)*/Qty
从ST订购
Order from distributors
包装类型
RoHS
Country of Origin
ECCN (US)
ECCN (EU)
TS4984IQT
Available at distributors

经销商的可用性 TS4984IQT

代理商名称
地区 库存 最小订购量 第三方链接

代理商库存报告日期:

无法联系到经销商,请联系我们的销售办事处

TS4984IQT 批量生产

Budgetary Price (US$)*/Qty:
-
包:
包装类型:
RoHS:
Country of Origin:
ECCN (US):
ECCN (EU):

产品型号:

TS4984IQT

代理商名称

代理商库存报告日期:

Swipe or click the button to explore more details Don't show this again

(*) 建议转售单价(美元)仅用于预算用途。如需以当地货币计价的报价,请联系您当地的 ST销售办事处 或我们的 经销商