TDA7498
Active
Design Win
100W+100W双BTL D类音频放大器

Download datasheet Order Direct

Product overview

描述

The TDA7498 is a dual BTL class-D audio amplifier with single power supply designed for home systems and active speaker applications.

It comes in a 36-pin PowerSSO package with exposed pad up (EPU) to facilitate mounting a separate heatsink.

  • All features

    • 100 W + 100 W output power at THD = 10% with RL = 6 Ω and VCC = 36 V
    • 80 W + 80 W output power at THD = 10% with RL = 8 Ω and VCC = 34 V
    • Wide-range single-supply operation (14 - 39 V)
    • High efficiency (η = 90%)
    • Four selectable, fixed gain settings of nominally 25.6 dB, 31.6 dB, 35.1 dB and 37.6 dB
    • Differential inputs minimize common-mode noise
    • Standby and mute features
    • Short-circuit protection
    • Thermal overload protection
    • Externally synchronizable

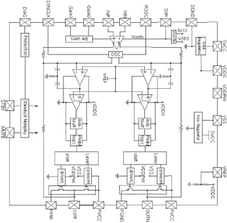
电路原理图

EDA Symbols, Footprints and 3D Models

STMicroelectronics - TDA7498

Speed up your design by downloading all the EDA symbols, footprints and 3D models for your application. You have access to a large number of CAD formats to fit with your design toolchain.

Please select one model supplier :

Symbols

Symbols

Footprints

Footprints

3D model

3D models

Quality and Reliability

Part Number Marketing Status Package Grade 符合RoHS级别 Longevity Commitment Longevity Starting Date Material Declaration**
TDA7498TR
Active
PowerSSO 36 Industrial Ecopack2 - -

TDA7498TR

Package:

PowerSSO 36

Material Declaration**:

PDF XML

Marketing Status

Active

Package

PowerSSO 36

Grade

Industrial

RoHS Compliance Grade

Ecopack2

(**) st.com上提供的材料声明表单可能是基于包装系列中最常用的封装的通用文档。因此,它们可能不是100%适用于特定的设备。有关特定设备的信息,请联系 销售支持

Sample & Buy

Loading...
Part Number
供货状态
Budgetary Price (US$)*/Qty
从ST订购
Order from distributors
Package
Packing Type
RoHS
Country of Origin
ECCN (US)
ECCN (EU)
Operating temperature (°C)
最小值
最大值
TDA7498TR

经销商的可用性 TDA7498TR

代理商名称
地区 Stock 最小订购量 第三方链接

代理商库存报告日期:

无法联系到经销商,请联系我们的销售办事处

TDA7498TR Active

Budgetary Price (US$)*/Qty:
-
Package:
Packing Type:
RoHS:
Country of Origin:
ECCN (US):
ECCN (EU):

Part Number:

TDA7498TR

Operating Temperature (°C)

Min:

Max:

代理商名称

代理商库存报告日期:

(*) 建议转售单价(美元)仅用于预算用途。如需以当地货币计价的报价,请联系您当地的 ST销售办事处 或我们的 经销商