TDA7492P

批量生产
Design Win

25 W + 25 W双BTL D类音频放大器

下载数据手册 Order Direct

产品概述

描述

The TDA7492P is a dual BTL class-D audio amplifier with single power supply, designed for LCD TVs and monitors.

Thanks to the high efficiency and exposed-pad-down (EPD) package no heatsink is required.

  • 所有功能

    • 25 W + 25 W continuous output power at THD = 10% with VCC= 20 V and RL= 8 Ω
    • Wide-range single-supply operation (8 - 26 V)
    • High efficiency (η = 90%)
    • Four selectable, fixed gain settings of nominally 21.6 dB, 27.6 dB, 31.1 dB and 33.6 dB
    • Differential inputs minimize common-mode noise
    • Standby and mute features
    • Short-circuit protection
    • Thermal overload protection
    • Externally synchronizable
    • ECOPACK®, environmentally-friendly package

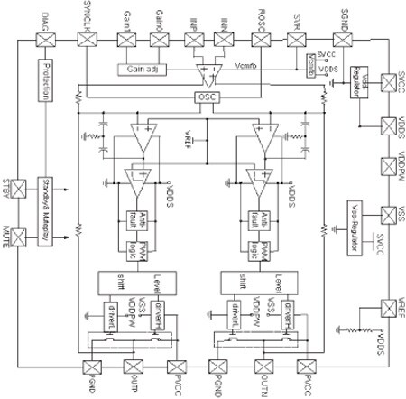
电路原理图

EDA符号、封装和3D模型

意法半导体 - TDA7492P

Speed up your design by downloading all the EDA symbols, footprints and 3D models for your application. You have access to a large number of CAD formats to fit with your design toolchain.

Please select one model supplier :

Symbols

符号

Footprints

封装

3D model

3D模型

质量与可靠性

产品型号 Marketing Status 等级规格 符合RoHS级别 Longevity Commitment Longevity Starting Date 材料声明**
TDA7492P13TR
批量生产
PowerSSO 36 工业 Ecopack2 - -

TDA7492P13TR

Package:

PowerSSO 36

Material Declaration**:

PDF XML

Marketing Status

批量生产

Package

PowerSSO 36

Grade

Industrial

RoHS Compliance Grade

Ecopack2

(**) st.com上提供的材料声明表单可能是基于包装系列中最常用的封装的通用文档。因此,它们可能不是100%适用于特定的设备。有关特定设备的信息,请联系 销售支持

样片和购买

Loading...
Swipe or click the button to explore more details Don't show this again
产品型号
供货状态
Budgetary Price (US$)*/Qty
从ST订购
Order from distributors
包装类型
RoHS
Country of Origin
ECCN (US)
ECCN (EU)
TDA7492P13TR
Available at distributors

经销商的可用性 TDA7492P13TR

代理商名称
地区 库存 最小订购量 第三方链接

代理商库存报告日期:

无法联系到经销商,请联系我们的销售办事处

TDA7492P13TR 批量生产

Budgetary Price (US$)*/Qty:
-
包:
包装类型:
RoHS:
Country of Origin:
ECCN (US):
ECCN (EU):

产品型号:

TDA7492P13TR

代理商名称

代理商库存报告日期:

Swipe or click the button to explore more details Don't show this again

(*) 建议转售单价(美元)仅用于预算用途。如需以当地货币计价的报价,请联系您当地的 ST销售办事处 或我们的 经销商