STA1102R
Obsolete
Design Win
3 Gbps, 2 differential-pair channel eSATA signal re-driver

Download datasheet

Product overview

描述

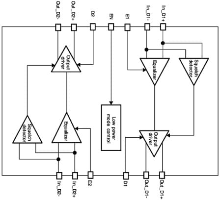
The STA1102R device is a serial data signal re-driver. It integrates two differential-pair channels suitable for eSATA signals up to a 3 Gbps data rate, in compliance with the SATA rev 2.6 specification.

An input detector is available at each channel, which constantly monitors the input signal level for output squelch functionality. If the detected differential input is below a defined threshold, the output is biased to the common mode voltage.

High-speed data paths and the flow-through pinout minimize internal device jitter and simplify board layout. The integrated input equalizer improves signal integrity at the receiver due to effects from lossy cables. A 1-bit adjustable pre-emphasis is also integrated to drive the transmitter outputs over long PCB track lengths.

The device can be set to a low-power mode by disabling the output current drivers through the EN pin.

  • All features

    • Supports eSATA data rate of 1.5 Gbps and 3 Gbps
    • Supports complete eSATA bus of two 2-wire differential-pair channels
    • Squelch detector for validity of input differential signal
    • Single operating supply (VCC) range of 3.3 V ± 10%
    • Low power mode
    • 100 Ω CML I/Os
    • eSATA hot plug capable
    • Low capacitance on all channels
    • 1-bit input equalizer regenerates the receiver attenuated signal
    • 1-bit adjustable pre-emphasis and driver to drive the transmitter outputs over long PCB track lengths
    • Low output skew and jitter
    • Low ground bounce
    • Available in QFN20 (4 x 4 mm) package footprint with flow-through pinout
    • 0 °C to 85 °C operating temperature range

电路原理图

EDA Symbols, Footprints and 3D Models

STMicroelectronics - STA1102R

Speed up your design by downloading all the EDA symbols, footprints and 3D models for your application. You have access to a large number of CAD formats to fit with your design toolchain.

Please select one model supplier :

Symbols

Symbols

Footprints

Footprints

3D model

3D models