Loading spinner

STM6710

批量生产
Design Win

微处理器监控器和复位IC,复位IC

下载数据手册 Order Direct

产品概述

描述

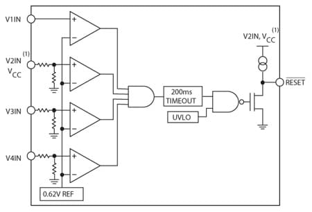
The STM6710 is a precision voltage monitoring supervisor with the capability to monitor triple/quad voltages and combine competitive reset threshold accuracy with low power consumption.

Factory-trimmed reset threshold options for monitoring 5.0 V, 3.3 V, 2.5 V and 1.8 V supplies with –5 % and –10 % tolerances are available.

If a monitored supply voltage input falls below the minimum voltage threshold, a single active low output is asserted, triggering a system reset.

This device can be configured to support an external manual reset input using minimal external components.

Monitoring up to four different voltages in a small 6-lead SOT23 package, the STM6710 devices can help to lower system cost, reduce board space requirements, and increase the reliability of multi-voltage systems.

Low VCCdetection circuitry protects the user's system from low voltage conditions, resetting the system when VCCor any of the other monitored power supply voltages fall below their respective minimum voltage thresholds. The reset signal remains asserted until all of these voltages return to proper operating levels and stabilize.

STM6710 includes internally fixed monitoring voltages for 5.0 V, 3.3 V, 3.0 V, 2.5 V and 1.8 V supplies with –5 % and –10 % tolerances.

This device functions as a triple monitoring voltage supervisor (STM6700) when V2IN is used as VCC.

The output is open drain with a weak internal pull-up to the monitored V2IN supply (or VCCin the case of STM6710Q) of typically 10 μA. Once all voltages rise above the selected threshold level, the STM6710 reset signal remains low for the reset timeout period of 200 ms (typical). The STM6700 acts as a voltage detector with a propagation delay of 5 μs after all monitored voltages exceed their thresholds.

The STM6710 output remains valid as long as V1IN or V2IN exceeds 1 V. For the STM6700 and STM6710 the condition is to have VCCabove 2 V.

  • 所有功能

    • Accurate monitoring of up to four supply voltages
    • Precision factory set reset threshold options for 1.8 V, 2.5 V, 3.0 V, 3.3 V and 5.0 V
    • Adjustable input threshold voltage = 0.62 V with 1.5 % accuracy
    • Low power consumption (< 35 μA)
    • Reset timeout period 200 ms (typ.) - STM6710
    • 5 μs propagation delay - STM6700
    • Open drainRESEToutput with a weak pull-up (10 μA)
    • RESET- active low - valid to V1IN = 1 V or V2IN = 1 V
    • Immune to power supply transients
    • Small 6-pin SOT23 package
    • RoHS compliant

电路原理图

EDA符号、封装和3D模型

意法半导体 - STM6710

Speed up your design by downloading all the EDA symbols, footprints and 3D models for your application. You have access to a large number of CAD formats to fit with your design toolchain.

Please select one model supplier :

Symbols

符号

Footprints

封装

3D model

3D模型

质量与可靠性

产品型号 Marketing Status 等级规格 符合RoHS级别 Longevity Commitment Longevity Starting Date 材料声明**
STM6710DWB6F
批量生产
SOT23-6L 工业 Ecopack3 - -
STM6710FWB6F
批量生产
SOT23-6L 工业 Ecopack3 - -
STM6710FWB7F
批量生产
SOT23-6L 工业 Ecopack3 - -
STM6710JWB6F
批量生产
SOT23-6L 工业 Ecopack3 - -
STM6710KWB6F
批量生产
SOT23-6L 工业 Ecopack3 - -
STM6710LWB6F
批量生产
SOT23-6L 工业 Ecopack3 - -
STM6710LWB7F
批量生产
SOT23-6L 工业 Ecopack3 - -

STM6710DWB6F

Package:

SOT23-6L

Material Declaration**:

PDF XML

Marketing Status

批量生产

Package

SOT23-6L

Grade

Industrial

RoHS Compliance Grade

Ecopack3

STM6710FWB6F

Package:

SOT23-6L

Material Declaration**:

PDF XML

Marketing Status

批量生产

Package

SOT23-6L

Grade

Industrial

RoHS Compliance Grade

Ecopack3

STM6710FWB7F

Package:

SOT23-6L

Material Declaration**:

PDF XML

Marketing Status

批量生产

Package

SOT23-6L

Grade

Industrial

RoHS Compliance Grade

Ecopack3

STM6710JWB6F

Package:

SOT23-6L

Material Declaration**:

PDF XML

Marketing Status

批量生产

Package

SOT23-6L

Grade

Industrial

RoHS Compliance Grade

Ecopack3

STM6710KWB6F

Package:

SOT23-6L

Material Declaration**:

PDF XML

Marketing Status

批量生产

Package

SOT23-6L

Grade

Industrial

RoHS Compliance Grade

Ecopack3

STM6710LWB6F

Package:

SOT23-6L

Material Declaration**:

PDF XML

Marketing Status

批量生产

Package

SOT23-6L

Grade

Industrial

RoHS Compliance Grade

Ecopack3

STM6710LWB7F

Package:

SOT23-6L

Material Declaration**:

PDF XML

Marketing Status

批量生产

Package

SOT23-6L

Grade

Industrial

RoHS Compliance Grade

Ecopack3

(**) st.com上提供的材料声明表单可能是基于包装系列中最常用的封装的通用文档。因此,它们可能不是100%适用于特定的设备。有关特定设备的信息,请联系 销售支持

样片和购买

Loading...
Swipe or click the button to explore more details Don't show this again
产品型号
供货状态
Budgetary Price (US$)*/Qty
从ST订购
Order from distributors
包装类型
RoHS
Country of Origin
ECCN (US)
ECCN (EU)
Operating temperature (°C)
最小值
最大值
STM6710FWB7F
Available at distributors

经销商的可用性 STM6710FWB7F

代理商名称
地区 库存 最小订购量 第三方链接

代理商库存报告日期:

无法联系到经销商,请联系我们的销售办事处
STM6710DWB6F
Available at distributors

经销商的可用性 STM6710DWB6F

代理商名称
地区 库存 最小订购量 第三方链接

代理商库存报告日期:

无法联系到经销商,请联系我们的销售办事处
STM6710LWB7F
Available at distributors

经销商的可用性 STM6710LWB7F

代理商名称
地区 库存 最小订购量 第三方链接

代理商库存报告日期:

无法联系到经销商,请联系我们的销售办事处
STM6710LWB6F
Available at distributors

经销商的可用性 STM6710LWB6F

代理商名称
地区 库存 最小订购量 第三方链接

代理商库存报告日期:

无法联系到经销商,请联系我们的销售办事处
STM6710KWB6F
Available at distributors

经销商的可用性 STM6710KWB6F

代理商名称
地区 库存 最小订购量 第三方链接

代理商库存报告日期:

无法联系到经销商,请联系我们的销售办事处
STM6710FWB6F
Available at distributors

经销商的可用性 STM6710FWB6F

代理商名称
地区 库存 最小订购量 第三方链接

代理商库存报告日期:

无法联系到经销商,请联系我们的销售办事处
STM6710JWB6F
Available at distributors

经销商的可用性 STM6710JWB6F

代理商名称
地区 库存 最小订购量 第三方链接

代理商库存报告日期:

无法联系到经销商,请联系我们的销售办事处

STM6710FWB7F 批量生产

Budgetary Price (US$)*/Qty:
-
包:
包装类型:
RoHS:
Country of Origin:
ECCN (US):
ECCN (EU):

产品型号:

STM6710FWB7F

Operating Temperature (°C)

Min:

Max:

代理商名称

代理商库存报告日期:

STM6710DWB6F 批量生产

Budgetary Price (US$)*/Qty:
-
包:
包装类型:
RoHS:
Country of Origin:
ECCN (US):
ECCN (EU):

产品型号:

STM6710DWB6F

Operating Temperature (°C)

Min:

Max:

代理商名称

代理商库存报告日期:

STM6710LWB7F 批量生产

Budgetary Price (US$)*/Qty:
-
包:
包装类型:
RoHS:
Country of Origin:
ECCN (US):
ECCN (EU):

产品型号:

STM6710LWB7F

Operating Temperature (°C)

Min:

Max:

代理商名称

代理商库存报告日期:

STM6710LWB6F 批量生产

Budgetary Price (US$)*/Qty:
-
包:
包装类型:
RoHS:
Country of Origin:
ECCN (US):
ECCN (EU):

产品型号:

STM6710LWB6F

Operating Temperature (°C)

Min:

Max:

代理商名称

代理商库存报告日期:

STM6710KWB6F 批量生产

Budgetary Price (US$)*/Qty:
-
包:
包装类型:
RoHS:
Country of Origin:
ECCN (US):
ECCN (EU):

产品型号:

STM6710KWB6F

Operating Temperature (°C)

Min:

Max:

代理商名称

代理商库存报告日期:

STM6710FWB6F 批量生产

Budgetary Price (US$)*/Qty:
-
包:
包装类型:
RoHS:
Country of Origin:
ECCN (US):
ECCN (EU):

产品型号:

STM6710FWB6F

Operating Temperature (°C)

Min:

Max:

代理商名称

代理商库存报告日期:

STM6710JWB6F 批量生产

Budgetary Price (US$)*/Qty:
-
包:
包装类型:
RoHS:
Country of Origin:
ECCN (US):
ECCN (EU):

产品型号:

STM6710JWB6F

Operating Temperature (°C)

Min:

Max:

代理商名称

代理商库存报告日期:

Swipe or click the button to explore more details Don't show this again

(*) 建议转售单价(美元)仅用于预算用途。如需以当地货币计价的报价,请联系您当地的 ST销售办事处 或我们的 经销商