Product overview
描述
在计算机系统的实施中,辐射和传导的EMI应保持在FCC规定的要求水平内。除了EMC兼容性要求外,计算设备还需要能够承受ESD事件,并在无需用户干预的情况下保持运行。
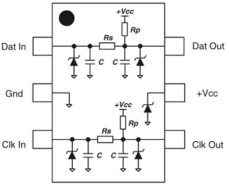
KBMF采用了一个低通滤波器来限制EMI水平,并提供超出IEC 61000-4-2级别4标准的ESD保护。该器件还实现了为数据线和时钟线提供偏置所需的上拉电阻。该封装为SOT23-6L,非常适合开发板空间紧张的情况。
-
All features
- 数据线和时钟线的集成低通滤波器
- 集成上拉电阻
- 集成ESD保护
- 击穿电压:VBR = 6 V(最小值)
- 小封装尺寸
电路原理图
EDA Symbols, Footprints and 3D Models
所有资源
| Resource title | 版本 | Latest update | Actions | Details | 下載 |
|---|
CAD Symbol & Footprint models (2)
| Resource title | 版本 | Latest update | Actions | Options | ||
|---|---|---|---|---|---|---|
| ZIP | 1.0 | 27 May 2020 | 27 May 2020 | |||
| ZIP | 1.2 | 18 Mar 2020 | 18 Mar 2020 |