TD310

批量生产
Design Win

带电流感应的三IGBT/MOS驱动器

下载数据手册 Order Direct

产品概述

描述

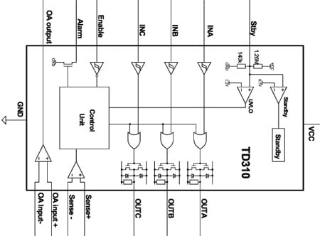
The TD310 is designed to drive one, two or three Power IGBT/MOS and has driving capability for pulse transformer. So it is perfectly suited to interface control IC with Power Switches in low side or half-bridge configuration.

TD310 includes a current sense comparator which inhibit the output drivers in case of overcurrent. An alarm output signals the even to a controller.

TD310 also includes an uncommitted op-amp which can be used for current measurement (as an amplifier before the A/D input of a microcontroller) of for other general purpose.

Programmable undervoltage lockout and standby mode make TD310 suitable for a large area of environment and application

Typical applications are low side IGBT and power MOSFET drive in three phase systems, pulse transformer drive, and general purpose pulse drive.

  • 所有功能

    • STAND-BY MODE
    • ADJUSTABLE UNDERVOLTAGE LOCKOUT LEVEL
    • CHANNEL PARALLELING CAPABILITY
    • 4V TO 16V SINGLE SUPPLY OPERATION
    • CMOS/LSTTL COMPATIBLE INVERTING INPUT WITH HYSTERESIS
    • THREE POWER IGBT/MOS AND PULSE TRANSFORMER DRIVERS
    • UNCOMMITTED OP-AMP
    • CURRENT SENSE COMPARATOR
    • LOW OUTPUT IMPEDANCE TYP: 7Ω AT 200mA
    • LOW BIAS CURRENT TYP: 1.5mA
    • 0.6 A PER CHANNEL PEAK OUTPUT CURRENT CAPABILITY

电路原理图

EDA符号、封装和3D模型

意法半导体 - TD310

Speed up your design by downloading all the EDA symbols, footprints and 3D models for your application. You have access to a large number of CAD formats to fit with your design toolchain.

Please select one model supplier :

Symbols

符号

Footprints

封装

3D model

3D模型

质量与可靠性

产品型号 Marketing Status 等级规格 符合RoHS级别 Longevity Commitment Longevity Starting Date 材料声明**
TD310ID
批量生产
SO-16 工业 Ecopack2 - -
TD310IDT
批量生产
SO-16 工业 Ecopack2 - -

TD310ID

Package:

SO-16

Material Declaration**:

PDF XML

Marketing Status

批量生产

Package

SO-16

Grade

Industrial

RoHS Compliance Grade

Ecopack2

TD310IDT

Package:

SO-16

Material Declaration**:

PDF XML

Marketing Status

批量生产

Package

SO-16

Grade

Industrial

RoHS Compliance Grade

Ecopack2

(**) st.com上提供的材料声明表单可能是基于包装系列中最常用的封装的通用文档。因此,它们可能不是100%适用于特定的设备。有关特定设备的信息,请联系 销售支持

样片和购买

Loading...
Swipe or click the button to explore more details Don't show this again
产品型号
供货状态
Budgetary Price (US$)*/Qty
从ST订购
Order from distributors
包装类型
RoHS
Country of Origin
ECCN (US)
ECCN (EU)
Operating temperature (°C)
最小值
最大值
TD310ID
Available at distributors

经销商的可用性 TD310ID

代理商名称
地区 库存 最小订购量 第三方链接

代理商库存报告日期:

无法联系到经销商,请联系我们的销售办事处
TD310IDT
Available at distributors

经销商的可用性 TD310IDT

代理商名称
地区 库存 最小订购量 第三方链接

代理商库存报告日期:

无法联系到经销商,请联系我们的销售办事处

TD310ID 批量生产

Budgetary Price (US$)*/Qty:
-
包:
包装类型:
RoHS:
Country of Origin:
ECCN (US):
ECCN (EU):

产品型号:

TD310ID

Operating Temperature (°C)

Min:

Max:

代理商名称

代理商库存报告日期:

TD310IDT 批量生产

Budgetary Price (US$)*/Qty:
-
包:
包装类型:
RoHS:
Country of Origin:
ECCN (US):
ECCN (EU):

产品型号:

TD310IDT

Operating Temperature (°C)

Min:

Max:

代理商名称

代理商库存报告日期:

Swipe or click the button to explore more details Don't show this again

(*) 建议转售单价(美元)仅用于预算用途。如需以当地货币计价的报价,请联系您当地的 ST销售办事处 或我们的 经销商