STP4CMP

批量生产
Design Win

具有电荷泵的低压4通道恒定电流LED驱动器

下载数据手册 Order Direct

产品概述

描述

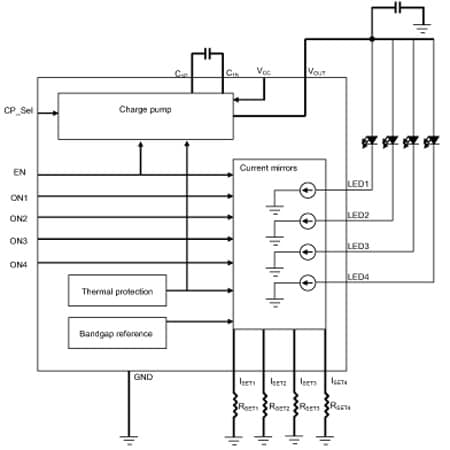
The STP4CMP is a charge-pump-based 4-channel LED driver designed for RGB illumination or LCD display backlighting. The STP4CMP works off a battery with an input voltage between 2.7 V and 5.5 V. The device generates regulated current sinks with high absolute and channel-to-channel accuracy to drive up to 4 LEDs. It can support LEDs with forward voltage as high as 3.8 V. The current sink for each channel can be set with 4 individual external resistors. Each channel is controlled independently. The PWM control can be applied directly to the 4 EN (enable) pins to provide brightness control. When enabled, the charge pump, which uses a small ceramic bucket capacitor between C1P and C1N, operates to regulate the VOUT with a clamping voltage at typ. 5 V. The tiny QFN20 (1.8x3.2 mm) package allows the device to be also used for applications with space limitations.

  • 所有功能

    • Operating voltage range: VCC 2.7 V to 5.5 V
    • Full RGB function support
    • 4-channel LED driver with individual ON/OFF control directly from input pins
    • Individually programmable output current for the 4 channels through 4 external resistors with a max. capability of 30 mA
    • Absolute output current accuracy of max. ±7% and channel-to-channel mismatch of max. ±4%
    • Selectable charge pump enable/disable
    • Thermal protection
    • Small QFN20 (1.8x3.2 mm) package

电路原理图

您可能还会喜欢...

EDA符号、封装和3D模型

意法半导体 - STP4CMP

Speed up your design by downloading all the EDA symbols, footprints and 3D models for your application. You have access to a large number of CAD formats to fit with your design toolchain.

Please select one model supplier :

Symbols

符号

Footprints

封装

3D model

3D模型

质量与可靠性

产品型号 Marketing Status 等级规格 符合RoHS级别 Longevity Commitment Longevity Starting Date 材料声明**
STP4CMPQTR
批量生产
VFQFPN 20 3.2x1.8x0.5 工业 Ecopack2 - -

STP4CMPQTR

Package:

VFQFPN 20 3.2x1.8x0.5

Material Declaration**:

PDF XML

Marketing Status

批量生产

Package

VFQFPN 20 3.2x1.8x0.5

Grade

Industrial

RoHS Compliance Grade

Ecopack2

(**) st.com上提供的材料声明表单可能是基于包装系列中最常用的封装的通用文档。因此,它们可能不是100%适用于特定的设备。有关特定设备的信息,请联系 销售支持

样片和购买

Loading...
Swipe or click the button to explore more details Don't show this again
产品型号
供货状态
Budgetary Price (US$)*/Qty
从ST订购
Order from distributors
包装类型
RoHS
Country of Origin
ECCN (US)
ECCN (EU)
Operating temperature (°C)
最小值
最大值
STP4CMPQTR
Available at distributors

经销商的可用性 STP4CMPQTR

代理商名称
地区 库存 最小订购量 第三方链接

代理商库存报告日期:

无法联系到经销商,请联系我们的销售办事处

STP4CMPQTR 批量生产

Budgetary Price (US$)*/Qty:
-
包:
包装类型:
RoHS:
Country of Origin:
ECCN (US):
ECCN (EU):

产品型号:

STP4CMPQTR

Operating Temperature (°C)

Min:

Max:

代理商名称

代理商库存报告日期:

Swipe or click the button to explore more details Don't show this again

(*) 建议转售单价(美元)仅用于预算用途。如需以当地货币计价的报价,请联系您当地的 ST销售办事处 或我们的 经销商