Loading spinner

产品概述

描述

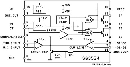
The SG3524 incorporates on a single monolithic chip all the function required for the construction of regulating power suppies inverters or switching regulators. They can also be used as the control element for high power-output applications. The SG3524 family was designed for switching regulators of either polarity, transformer-coupled dc-to-dc converters, transformerless voltage doublers and polarity converter applications employing fixed-frequency, pulse-width modulation techniques. The dual alternating outputs allows either single-ended or push-pull applications.

Each device includes an on-ship reference, error amplifier, programmable oscillator, pulse-steering flip flop, two uncommitted output transistors, a high-gain comparator, and current-limiting and shut-down circuitry.

  • 所有功能

    • COMPLETE PWM POWER CONTROL CIRCUITRY
    • LOW STANDBY CURRENT 8mA TYPICAL
    • UNCOMMITTED OUTPUTS FOR SINGLEENDED OR PUSH PULL APPLICATIONS
    • 1% MAXIMUM TEMPERATURE VARIATION OF REFERENCE VOLTAGE
    • OPERATION UP TO 300KHz

电路原理图

EDA符号、封装和3D模型

意法半导体 - SG3524

Speed up your design by downloading all the EDA symbols, footprints and 3D models for your application. You have access to a large number of CAD formats to fit with your design toolchain.

Please select one model supplier :

Symbols

符号

Footprints

封装

3D model

3D模型

质量与可靠性

产品型号 Marketing Status 等级规格 符合RoHS级别 Longevity Commitment Longevity Starting Date 材料声明**
SG3524P
批量生产
SO-16 工业 Ecopack2 - -
SG3524P013TR
批量生产
SO-16 工业 Ecopack2 - -

SG3524P

Package:

SO-16

Material Declaration**:

PDF XML

Marketing Status

批量生产

Package

SO-16

Grade

Industrial

RoHS Compliance Grade

Ecopack2

SG3524P013TR

Package:

SO-16

Material Declaration**:

PDF XML

Marketing Status

批量生产

Package

SO-16

Grade

Industrial

RoHS Compliance Grade

Ecopack2

(**) st.com上提供的材料声明表单可能是基于包装系列中最常用的封装的通用文档。因此,它们可能不是100%适用于特定的设备。有关特定设备的信息,请联系 销售支持

样片和购买

Loading...
Swipe or click the button to explore more details Don't show this again
产品型号
供货状态
Budgetary Price (US$)*/Qty
从ST订购
Order from distributors
包装类型
RoHS
Country of Origin
ECCN (US)
ECCN (EU)
SG3524P
Available at distributors

经销商的可用性 SG3524P

代理商名称
地区 库存 最小订购量 第三方链接

代理商库存报告日期:

无法联系到经销商,请联系我们的销售办事处
SG3524P013TR
Available at distributors

经销商的可用性 SG3524P013TR

代理商名称
地区 库存 最小订购量 第三方链接

代理商库存报告日期:

无法联系到经销商,请联系我们的销售办事处

SG3524P 批量生产

Budgetary Price (US$)*/Qty:
-
包:
包装类型:
RoHS:
Country of Origin:
ECCN (US):
ECCN (EU):

产品型号:

SG3524P

代理商名称

代理商库存报告日期:

SG3524P013TR 批量生产

Budgetary Price (US$)*/Qty:
-
包:
包装类型:
RoHS:
Country of Origin:
ECCN (US):
ECCN (EU):

产品型号:

SG3524P013TR

代理商名称

代理商库存报告日期:

Swipe or click the button to explore more details Don't show this again

(*) 建议转售单价(美元)仅用于预算用途。如需以当地货币计价的报价,请联系您当地的 ST销售办事处 或我们的 经销商