Loading spinner

L6491

批量生产
Design Win Education Education

高压高侧和低侧4 A栅极驱动器

下载数据手册 Order Direct

产品概述

描述

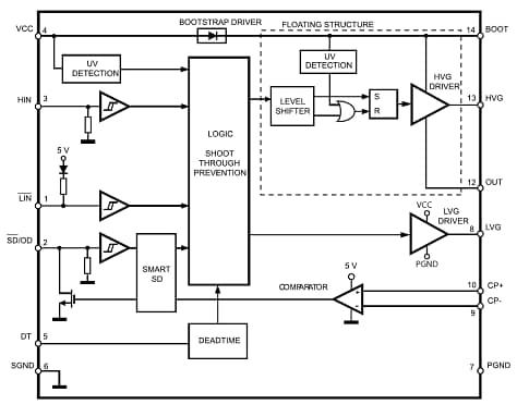
The L6491 is a high voltage device manufactured with the BCD6 “OFF-LINE” technology. It is a single-chip half-bridge gate driver for N-channel power MOSFET or IGBT.

The high-side (floating) section is designed to stand a voltage rail up to 600 V. The logic inputs are CMOS/TTL compatible down to 3.3 V for easy interfacing microcontroller/DSP.

An integrated comparator is available for fast protection against over-current, over-temperature, etc.

  • 所有功能

    • High voltage rail up to 600 V
    • dV/dt immunity ± 50 V/ns in full temperature range
    • Driver current capability: 4 A source/sink
    • Switching times 15 ns rise/fall with 1 nF load
    • 3.3 V, 5 V TTL/CMOS inputs with hysteresis
    • Integrated bootstrap diode
    • Comparator for fault protections
    • Smart shutdown function
    • Adjustable deadtime
    • Interlocking function
    • Compact and simplified layout
    • Bill of material reduction
    • Effective fault protection
    • Flexible, easy and fast design

电路原理图

您可能还会喜欢...

EDA符号、封装和3D模型

意法半导体 - L6491

Speed up your design by downloading all the EDA symbols, footprints and 3D models for your application. You have access to a large number of CAD formats to fit with your design toolchain.

Please select one model supplier :

Symbols

符号

Footprints

封装

3D model

3D模型

质量与可靠性

产品型号 Marketing Status 等级规格 符合RoHS级别 Longevity Commitment Longevity Starting Date 材料声明**
L6491D
批量生产
SO-14 工业 Ecopack2 15 2025-01-01T00:00:00.000+01:00
L6491DTR
批量生产
SO-14 工业 Ecopack2 15 2025-01-01T00:00:00.000+01:00

L6491D

Package:

SO-14

Material Declaration**:

PDF XML

Marketing Status

批量生产

Package

SO-14

Grade

Industrial

RoHS Compliance Grade

Ecopack2

L6491DTR

Package:

SO-14

Material Declaration**:

PDF XML

Marketing Status

批量生产

Package

SO-14

Grade

Industrial

RoHS Compliance Grade

Ecopack2

(**) st.com上提供的材料声明表单可能是基于包装系列中最常用的封装的通用文档。因此,它们可能不是100%适用于特定的设备。有关特定设备的信息,请联系 销售支持

样片和购买

Loading...
Swipe or click the button to explore more details Don't show this again
产品型号
供货状态
Budgetary Price (US$)*/Qty
从ST订购
Order from distributors
包装类型
RoHS
Country of Origin
ECCN (US)
ECCN (EU)
Operating temperature (°C)
最小值
最大值
L6491D
Available at distributors

经销商的可用性 L6491D

代理商名称
地区 库存 最小订购量 第三方链接

代理商库存报告日期:

无法联系到经销商,请联系我们的销售办事处
L6491DTR
Available at distributors

经销商的可用性 L6491DTR

代理商名称
地区 库存 最小订购量 第三方链接

代理商库存报告日期:

无法联系到经销商,请联系我们的销售办事处

L6491D 批量生产

Budgetary Price (US$)*/Qty:
-
包:
包装类型:
RoHS:
Country of Origin:
ECCN (US):
ECCN (EU):

产品型号:

L6491D

Operating Temperature (°C)

Min:

Max:

代理商名称

代理商库存报告日期:

L6491DTR 批量生产

Budgetary Price (US$)*/Qty:
-
包:
包装类型:
RoHS:
Country of Origin:
ECCN (US):
ECCN (EU):

产品型号:

L6491DTR

Operating Temperature (°C)

Min:

Max:

代理商名称

代理商库存报告日期:

Swipe or click the button to explore more details Don't show this again

(*) 建议转售单价(美元)仅用于预算用途。如需以当地货币计价的报价,请联系您当地的 ST销售办事处 或我们的 经销商