Loading spinner

L6208

批量生产
Design Win Education

双极步进电机的L6208 DMOS驱动

下载数据手册 Order Direct

产品概述

描述

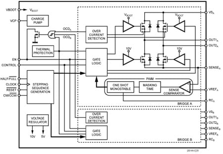
The L6208 device is a DMOS fully integrated stepper motor driver with non-dissipative overcurrent protection, realized in BCD technology, which combines isolated DMOS power transistors with CMOS and bipolar circuits on the same chip. The device includes all the circuitry needed to drive a two phase bipolar stepper motor including: a dual DMOS full bridge, the constant off time PWM current controller that performs the chopping regulation and the phase sequence generator, that generates the stepping sequence. Available in PowerDIP24 (20 + 2 + 2), PowerSO36 and SO24 (20 + 2 + 2) packages, the L6208 device features a non-dissipative overcurrent protection on the high-side Power MOSFETs and thermal shutdown.

  • 所有功能

    • Operating supply voltage from 8 to 52 V
    • 5.6 A output peak current (2.8 A RMS)
    • RDS(ON) 0.3 Ω typ. value at Tj= 25 °C
    • Operating frequency up to 100 KHz
    • Non-dissipative overcurrent protection
    • Dual independent constant tOFFPWM current controllers
    • Fast/slow decay mode selection
    • Fast decay quasi-synchronous rectification
    • Decoding logic for stepper motor full and half step drive
    • Cross conduction protection
    • Thermal shutdown
    • Undervoltage lockout
    • Integrated fast freewheeling diodes

电路原理图

eDesignSuite

eDesignSuite 是一套全面且易于使用的设计辅助工具,旨在帮助您简化系统开发过程,并支持广泛的ST产品。

电源管理设计中心

组件的热电模拟器

信号调节设计工具

NFC/RFID计算器

选择设计工具:
电源管理设计中心

电源设计工具

支持按拓扑、类型和产品进行SMPS设计
具有模拟和数字控制的PFC设计
支持各种PCB配置
Choose type:
DC/DC
AC/DC
太阳能电池充电器
电源管理设计中心

LED照明设计工具

处理常见拓扑中的AC-DC和DC-DC设计
显示带注释的交互式原理图
提供电流/电压曲线图、波特图、效率曲线和功率损耗数据
Choose type:
DC/DC
AC/DC
电源管理设计中心

数字电源工作台

提供电源部分和控制回路的逐步优化设计。
为定制应用生成 STM32Cube 嵌入式软件包,并允许生成与多个 STM32 IDE 兼容的固件项目。
电源管理设计中心

电源树设计器

为树中的每个节点指定输入/输出功率
检查一致性
设计每个单独的节点
选择设计工具:
组件的热电模拟器

AC开关模拟器

选择额定值与应用波形
获取结温与阻断电压曲线图
搜索合适的器件并进行排序
组件的热电模拟器

整流二极管模拟器

选择额定值与应用波形
预测功率损耗
搜索合适的器件并进行排序
组件的热电模拟器

STPOWER Studio

支持长期任务剖面
提供功率损耗与温度曲线图
帮助确定散热器热性能
组件的热电模拟器

Twister Sim

为ViPOWER汽车电源器件选型提供帮助
支持负载兼容性、线束优化、故障工况影响和诊断分析
支持各种PCB配置
组件的热电模拟器

TVS模拟器

指定系统额定值和浪涌波形
搜索合适的器件并进行排序
组件的热电模拟器

Estimate

数分钟即可完成简单原理图构建及固件输入
快速生成电池寿命、系统功耗和BOM成本的可靠估算结果
组件的热电模拟器

PCB热模拟器

支持通过Gerber文件进行PCB热分析。
可添加热源、散热器、铜区域和热路径。
采用强大的服务器端引擎实现渲染和模拟。
通过二维图表直观显示热分析结果。
选择设计工具:
信号调节设计工具

有源滤波器

处理多级设计和常见拓扑结构
返回电路元件值
提供增益、相位和群延迟图
低通、高通和带通
信号调节设计工具

比较器

处理最常见的配置
返回电路元件值
提供I/O信号波形
反相、非反相、窗口
信号调节设计工具

低侧电流检测

返回电路元件值
提供电流误差图
信号调节设计工具

高侧电流检测

提供电流误差图。
帮助选择正确的高侧电流检测和分流器件。
选择设计工具:
NFC/RFID计算器

NFC电感

输入电路图和基板性能
获取天线阻抗
NFC/RFID计算器

UHF链路预算

输入正向和反向链接特性
该工具将返回链接预算估算
NFC/RFID计算器

NFC调谐电路

输入天线参数和匹配目标
选择匹配网络的拓扑结构
该工具将返回所需设计目标的元件值

您可能还会喜欢...

EDA符号、封装和3D模型

意法半导体 - L6208

Speed up your design by downloading all the EDA symbols, footprints and 3D models for your application. You have access to a large number of CAD formats to fit with your design toolchain.

Please select one model supplier :

Symbols

符号

Footprints

封装

3D model

3D模型

质量与可靠性

产品型号 Marketing Status 等级规格 符合RoHS级别 Longevity Commitment Longevity Starting Date 材料声明**
L6208D
批量生产
SO-24 工业 Ecopack1 10 2022-01-01T00:00:00.000+01:00
L6208D013TR
批量生产
SO-24 工业 Ecopack1 10 2022-01-01T00:00:00.000+01:00
L6208PD
批量生产
PowerSO 36 工业 Ecopack2 10 2022-01-01T00:00:00.000+01:00
L6208PD013TR
批量生产
PowerSO 36 工业 Ecopack2 10 2022-01-01T00:00:00.000+01:00

L6208D

Package:

SO-24

Material Declaration**:

Marketing Status

批量生产

Package

SO-24

Grade

Industrial

RoHS Compliance Grade

Ecopack1

L6208D013TR

Package:

SO-24

Material Declaration**:

Marketing Status

批量生产

Package

SO-24

Grade

Industrial

RoHS Compliance Grade

Ecopack1

L6208PD

Package:

PowerSO 36

Material Declaration**:

PDF XML

Marketing Status

批量生产

Package

PowerSO 36

Grade

Industrial

RoHS Compliance Grade

Ecopack2

L6208PD013TR

Package:

PowerSO 36

Material Declaration**:

PDF XML

Marketing Status

批量生产

Package

PowerSO 36

Grade

Industrial

RoHS Compliance Grade

Ecopack2

(**) st.com上提供的材料声明表单可能是基于包装系列中最常用的封装的通用文档。因此,它们可能不是100%适用于特定的设备。有关特定设备的信息,请联系 销售支持

样片和购买

Loading...
Swipe or click the button to explore more details Don't show this again
产品型号
供货状态
Budgetary Price (US$)*/Qty
从ST订购
Order from distributors
包装类型
RoHS
Country of Origin
ECCN (US)
ECCN (EU)
Operating temperature (°C)
最小值
最大值
L6208PD013TR
Available at distributors

经销商的可用性 L6208PD013TR

代理商名称
地区 库存 最小订购量 第三方链接

代理商库存报告日期:

无法联系到经销商,请联系我们的销售办事处
L6208PD
Available at distributors

经销商的可用性 L6208PD

代理商名称
地区 库存 最小订购量 第三方链接

代理商库存报告日期:

无法联系到经销商,请联系我们的销售办事处
L6208D
Available at distributors

经销商的可用性 L6208D

代理商名称
地区 库存 最小订购量 第三方链接

代理商库存报告日期:

无法联系到经销商,请联系我们的销售办事处
L6208D013TR
Available at distributors

经销商的可用性 L6208D013TR

代理商名称
地区 库存 最小订购量 第三方链接

代理商库存报告日期:

无法联系到经销商,请联系我们的销售办事处

L6208PD013TR 批量生产

Budgetary Price (US$)*/Qty:
-
包:
包装类型:
RoHS:
Country of Origin:
ECCN (US):
ECCN (EU):

产品型号:

L6208PD013TR

Operating Temperature (°C)

Min:

Max:

代理商名称

代理商库存报告日期:

L6208PD 批量生产

Budgetary Price (US$)*/Qty:
-
包:
包装类型:
RoHS:
Country of Origin:
ECCN (US):
ECCN (EU):

产品型号:

L6208PD

Operating Temperature (°C)

Min:

Max:

代理商名称

代理商库存报告日期:

L6208D 批量生产

Budgetary Price (US$)*/Qty:
-
包:
包装类型:
RoHS:
Country of Origin:
ECCN (US):
ECCN (EU):

产品型号:

L6208D

Operating Temperature (°C)

Min:

Max:

代理商名称

代理商库存报告日期:

L6208D013TR 批量生产

Budgetary Price (US$)*/Qty:
-
包:
包装类型:
RoHS:
Country of Origin:
ECCN (US):
ECCN (EU):

产品型号:

L6208D013TR

Operating Temperature (°C)

Min:

Max:

代理商名称

代理商库存报告日期:

Swipe or click the button to explore more details Don't show this again

(*) 建议转售单价(美元)仅用于预算用途。如需以当地货币计价的报价,请联系您当地的 ST销售办事处 或我们的 经销商