Loading spinner

L293B

批量生产
Design Win

推挽四通道驱动器

下载数据手册 Order Direct

产品概述

描述

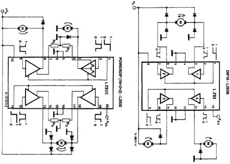
The L293B and L293E are quad push-pull drivers capable of delivering output currents to 1A per channel. Each channel is controlled by a TTL-compatible logic input and each pair of drivers (a full bridge) is equipped with an inhibit input which turns off all four transistors. A separate supply input is provided for the logic so that it may be run off a lower voltage to reduce dissipation.

Additionally, the L293E has external connection of sensing resistors, for switchmode control.

The L293B and L293E are package in 16 and 20-pin plastic DIPs respectively ; both use the four center pins to conduct heat to the printed circuit board.

  • 所有功能

    • OVERTEMPERATURE PROTECTION
    • OUTPUT CURRENT 1A PER CHANNEL
    • INHIBIT FACILITY
    • PEAK OUTPUT CURRENT 2A PER CHANNEL (non repetitive)
    • SEPARATE LOGIC SUPPLY
    • HIGH NOISE IMMUNITY

电路原理图

EDA符号、封装和3D模型

意法半导体 - L293B

Speed up your design by downloading all the EDA symbols, footprints and 3D models for your application. You have access to a large number of CAD formats to fit with your design toolchain.

Please select one model supplier :

Symbols

符号

Footprints

封装

3D model

3D模型

质量与可靠性

产品型号 Marketing Status 等级规格 符合RoHS级别 Longevity Commitment Longevity Starting Date 材料声明**
L293B
批量生产
PDIP 16 工业 Ecopack1 - 2025-01-01T00:00:00.000+01:00

L293B

Package:

PDIP 16

Material Declaration**:

PDF XML

Marketing Status

批量生产

Package

PDIP 16

Grade

Industrial

RoHS Compliance Grade

Ecopack1

(**) st.com上提供的材料声明表单可能是基于包装系列中最常用的封装的通用文档。因此,它们可能不是100%适用于特定的设备。有关特定设备的信息,请联系 销售支持

样片和购买

Loading...
Swipe or click the button to explore more details Don't show this again
产品型号
供货状态
Budgetary Price (US$)*/Qty
从ST订购
Order from distributors
包装类型
RoHS
Country of Origin
ECCN (US)
ECCN (EU)
Operating temperature (°C)
最小值
最大值
L293B
Available at distributors

经销商的可用性 L293B

代理商名称
地区 库存 最小订购量 第三方链接

代理商库存报告日期:

无法联系到经销商,请联系我们的销售办事处

L293B 批量生产

Budgetary Price (US$)*/Qty:
-
包:
包装类型:
RoHS:
Country of Origin:
ECCN (US):
ECCN (EU):

产品型号:

L293B

Operating Temperature (°C)

Min:

Max:

代理商名称

代理商库存报告日期:

Swipe or click the button to explore more details Don't show this again

(*) 建议转售单价(美元)仅用于预算用途。如需以当地货币计价的报价,请联系您当地的 ST销售办事处 或我们的 经销商