Loading spinner

STM8SPLNB1

批量生产
Design Win Education

基于SaTCR的LNB和切换器的DiSEqC从设备微控制器

下载数据手册

产品概述

描述

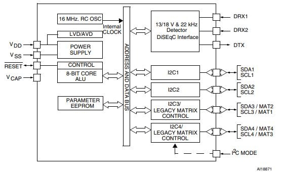
The STM8SPLNB1 is an 8-bit microcontroller dedicated to DiSEqC slave operation in SaTCR based LNBs (Low Noise Block) and switchers.

It is a complete hardware and firmware solution for system designers who require an implementation overview of the LNB device control according to DiSEqC standard (Digital Satellite Equipment Control).

  • 所有功能

    • Clock, reset and supply management
      • Reduced power consumption,
      • Safe power on/off managementby low voltage detector (LVD),
      • 2.95 to 5.5 V operating voltage,
      • Internal 16MHz oscillator.
    • Communication interface
      • Two DiSEqCTM communication interfaces,
      • Four I2C communication interfaces I/O ports.
    • 4 output pins for control of a legacy matrix.

电路原理图

更多产品线信息

EDA符号、封装和3D模型

意法半导体 - STM8SPLNB1

Speed up your design by downloading all the EDA symbols, footprints and 3D models for your application. You have access to a large number of CAD formats to fit with your design toolchain.

Please select one model supplier :

Symbols

符号

Footprints

封装

3D model

3D模型

质量与可靠性

产品型号 Marketing Status 等级规格 符合RoHS级别 Longevity Commitment Longevity Starting Date 材料声明**
STM8SPLNB1M6
批量生产
SO-20 工业 Ecopack1 10 2025-01-01T00:00:00.000+01:00
STM8SPLNB1P6
批量生产
TSSOP-20 工业 Ecopack2 10 2025-01-01T00:00:00.000+01:00

STM8SPLNB1M6

Package:

SO-20

Material Declaration**:

PDF XML

Marketing Status

批量生产

Package

SO-20

Grade

Industrial

RoHS Compliance Grade

Ecopack1

STM8SPLNB1P6

Package:

TSSOP-20

Material Declaration**:

PDF XML

Marketing Status

批量生产

Package

TSSOP-20

Grade

Industrial

RoHS Compliance Grade

Ecopack2

(**) st.com上提供的材料声明表单可能是基于包装系列中最常用的封装的通用文档。因此,它们可能不是100%适用于特定的设备。有关特定设备的信息,请联系 销售支持

样片和购买

Loading...
Swipe or click the button to explore more details Don't show this again
产品型号
供货状态
Budgetary Price (US$)*/Qty
从ST订购
Order from distributors
包装类型
RoHS
Country of Origin
ECCN (US)
ECCN (EU)
Operating temperature (°C)
最小值
最大值
STM8SPLNB1P6
Available at distributors

经销商的可用性 STM8SPLNB1P6

代理商名称
地区 库存 最小订购量 第三方链接

代理商库存报告日期:

无法联系到经销商,请联系我们的销售办事处
STM8SPLNB1M6
Available at distributors

经销商的可用性 STM8SPLNB1M6

代理商名称
地区 库存 最小订购量 第三方链接

代理商库存报告日期:

无法联系到经销商,请联系我们的销售办事处

STM8SPLNB1P6 批量生产

Budgetary Price (US$)*/Qty:
-
包:
包装类型:
RoHS:
Country of Origin:
ECCN (US):
ECCN (EU):

产品型号:

STM8SPLNB1P6

Operating Temperature (°C)

Min:

Max:

代理商名称

代理商库存报告日期:

STM8SPLNB1M6 批量生产

Budgetary Price (US$)*/Qty:
-
包:
包装类型:
RoHS:
Country of Origin:
ECCN (US):
ECCN (EU):

产品型号:

STM8SPLNB1M6

Operating Temperature (°C)

Min:

Max:

代理商名称

代理商库存报告日期:

Swipe or click the button to explore more details Don't show this again

(*) 建议转售单价(美元)仅用于预算用途。如需以当地货币计价的报价,请联系您当地的 ST销售办事处 或我们的 经销商