STTS424E02

已停产
Design Win

Memory module temperature sensor with a 2 Kb SPD EEPROM

下载数据手册

产品概述

描述

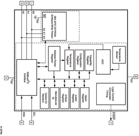
The STTS424E02 is targeted for DIMM modules in mobile personal computing platforms (laptops), server memory modules and other industrial applications. The thermal sensor (TS) in the STTS424E02 is compliant with the JEDEC specification JC 42.4, which defines memory module thermal sensors requirements for mobile platforms. The 2 Kb serial presence detect (SPD) I2C-compatible electrically erasable programmable memory (EEPROM) in the STTS424E02 is organized as 256 x 8 bits and is functionally identical to the industry standard M34E02.

The TS-SPD EEPROM combination provides space as well as cost savings for mobile and server platform dual inline memory modules (DIMM) manufacturers, as it is packaged in the compact 2 mm x 3 mm 8-lead DFN package which is available in two variations. The DA package has a maximum height of 0.90 mm. The DN package has an identical footprint as the DA package with a thinner maximum height of 0.80 mm. The DN package is compliant to JEDEC MO-229, variation WCED-3.

The temperature sensor includes a band gap-based temperature sensor and 10-bit analog-to-digital converter (ADC) which monitor and digitize the temperature to a resolution of up to 0.25 °C. The typical accuracies over these temperature ranges are ±3 °C over the full temperature measurement range of –40 °C to 125 °C, ±2 °C in the +40 °C to +125 °C temperature range, and ±1 °C in the +75 °C to +95 °C temperature range.

The temperature sensor in the STTS424E02 is specified for operating at supply voltages from 2.7 V to 3.6 V. Operating at 3.3 V, the supply current is 100 μA (typ) with EEPROM in standby mode.

The on-board sigma delta ADC converts the measured temperature to a digital value that is calibrated in °C. For Fahrenheit applications, a lookup table or conversion routine is required. The STTS424E02 is factory-calibrated and requires no external components to measure temperature.

The digital temperature sensor component has user-programmable registers that provide the capabilities for DIMM temperature-sensing applications. The open drain event output pin is active when the monitoring temperature exceeds a programmable limit, or it falls above or below an alarm window. The user has the option to set the event output as a critical temperature output. This pin can be configured to operate in either a comparator mode for thermostat operation or in interrupt mode.

The 2 Kb serial EEPROM memory in the STTS424E02 has the ability to permanently lock the data in its first half (upper) 128 bytes (locations 00h to 7Fh). This facility has been designed specifically for use in DRAM DIMMs with SPD. All of the information concerning the DRAM module configuration (e.g. access speed, size, and organization) can be kept write protected in the first half of the memory. The second half (lower) 128 bytes of the memory can be write protected using two different software write protection mechanisms.

By sending the device a specific sequence, the first 128 bytes of the memory become write protected: permanently or resettable. In the STTS424E02 the EEPROM write control (WC) is always held low. Thus, the write protection of the memory array is dependent on whether the software protection has been set.

  • 所有功能

    • STTS424E02 includes a JEDEC JC 42.4 compatible temperature sensor, integrated with industry standard 2 Kb serial presence detect (SPD) EEPROM (STTS2002 is recommended for new designs)
    • Temperature sensor
      • Temperature sensor resolution: 0.25 °C (typ)/LSB
      • Temperature sensor accuracy:
        • ± 1 °C from +75 °C to +95 °C
        • ± 2 °C from +40 °C to +125 °C
        • ± 3 °C from –40 °C to +125 °C
      • ADC conversion time: 125 ms (max)
      • Supply voltage: 2.7 V to 3.6 V
      • Maximum operating supply current: 210 μA (EEPROM standby)
      • Hysteresis selectable set points from: 0, 1.5, 3, 6.0 °C
      • Ambient temperature sensing range: –40 °C to +125 °C
    • 2 Kb SPD EEPROM
      • Functionality identical to ST’s M34E02 SPD EEPROM
      • Permanent and reversible software data protection for the lower 128 bytes
      • Single supply voltage: 2.7 V to 3.6 V
      • Byte and page write (up to 16 bytes)
      • Self-time WRITE cycle (5 ms, max)
      • Automatic address incrementing
      • Operating temperature range:
        • –40 °C to +85 °C (DA package only)
        • –40 °C to +125 °C (DN package only)
    • Two-wire bus
      • 2-wire SMBus/I2C - compatible serial interface
      • Temperature sensor supports SMBus timeout
      • Supports up to 400 kHz transfer rate
    • Packages
      • DN: 2 mm x 3 mm TDFN8, height: 0.80 mm (max). Compliant to JEDEC MO-229, WCED-3.
      • DA: 2 mm x 3 mm DFN8, height: 0.90 mm (max). Contact local ST sales office for availability.
      • RoHS compliant, halogen-free

电路原理图

EDA符号、封装和3D模型

意法半导体 - STTS424E02

Speed up your design by downloading all the EDA symbols, footprints and 3D models for your application. You have access to a large number of CAD formats to fit with your design toolchain.

Please select one model supplier :

Symbols

符号

Footprints

封装

3D model

3D模型