ST8024

批量生产
Design Win

智能卡接口

下载数据手册

产品概述

描述

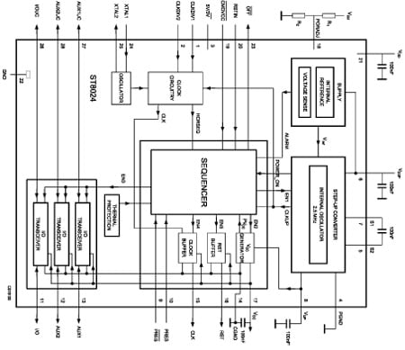
The ST8024 is a complete low cost analog interface for asynchronous 3 V and 5 V smart cards. It can be placed between the card and the microcontroller with few external components to perform all supply protection and control functions. ST8024 is a direct replacement of ST8004.

Main applications are: smartcard readers for settop- box, IC card readers for banking, identification, pay TV.

  • 所有功能

    • 26 MHz integrated crystal oscillator
    • Enhanced ESD protection on card side (> 6 kV)
    • Non-inverted control of RST via pin RSTIN
    • Clock generation for cards up to 20 MHz (divided by 1, 2, 4 or 8 through CLKDIV1 and CLKDIV2 signals) with synchronous frequency changes
    • Supply supervisor for spike-killing during power-on and power-off and power-on reset (threshold fixed internally or externally by a resistor bridge)
    • ISO 7816, GSM11.11 and EMV (payment systems) compatibility
    • One multiplexed status signal off
    • Built-in debounce on card presence contacts
    • Thermal and short-circuit protection on all card contacts
    • 3 or 5 V ± 5 % regulated card supply voltage (VCC) with appropriate decoupling has the following capabilities:Icc < 80 mA at VDDP = 4 to 6.5 VHandles current spikes of 40 nA up to 20 MHzControls rise and fall timesFiltered overload detection at approximately 120 mA
    • Designed to be compatible with the NDS conditional access system
    • 3 or 5 V supply for the IC (VDD and GND)
    • IC card interface
    • DC-DC converter for VCC generation separately powered from a 5 V ± 20% supply (VDDP and PGND)
    • Automatic activation and deactivation sequences; initiated by software or by hardware in the event of a short-circuit, card take-off, overheating, VDD or VDDP drop-out
    • Three specifically protected half-duplex bidirectional buffered I/O lines to card contacts C4, C7 and C8

电路原理图

EDA符号、封装和3D模型

意法半导体 - ST8024

Speed up your design by downloading all the EDA symbols, footprints and 3D models for your application. You have access to a large number of CAD formats to fit with your design toolchain.

Please select one model supplier :

Symbols

符号

Footprints

封装

3D model

3D模型

质量与可靠性

产品型号 Marketing Status 等级规格 符合RoHS级别 Longevity Commitment Longevity Starting Date 材料声明**
ST8024CDR
批量生产
SO-28 工业 Ecopack1 (*) - -
ST8024CTR
NRND
TSSOP-28 工业 Ecopack3 - -

ST8024CDR

Package:

SO-28

Material Declaration**:

PDF XML

Marketing Status

批量生产

Package

SO-28

Grade

Industrial

RoHS Compliance Grade

Ecopack1 (*)

ST8024CTR

Package:

TSSOP-28

Material Declaration**:

PDF XML

Marketing Status

NRND

Package

TSSOP-28

Grade

Industrial

RoHS Compliance Grade

Ecopack3

(**) st.com上提供的材料声明表单可能是基于包装系列中最常用的封装的通用文档。因此,它们可能不是100%适用于特定的设备。有关特定设备的信息,请联系 销售支持

样片和购买

Loading...
Swipe or click the button to explore more details Don't show this again
产品型号
供货状态
Budgetary Price (US$)*/Qty
从ST订购
Order from distributors
包装类型
RoHS
Country of Origin
ECCN (US)
ECCN (EU)
Operating temperature (°C)
最小值
最大值
ST8024CDR
Available at distributors

经销商的可用性 ST8024CDR

代理商名称
地区 库存 最小订购量 第三方链接

代理商库存报告日期:

无法联系到经销商,请联系我们的销售办事处
ST8024CTR
Available at distributors

经销商的可用性 ST8024CTR

代理商名称
地区 库存 最小订购量 第三方链接

代理商库存报告日期:

无法联系到经销商,请联系我们的销售办事处

ST8024CDR 批量生产

Budgetary Price (US$)*/Qty:
-
包:
包装类型:
RoHS:
Country of Origin:
ECCN (US):
ECCN (EU):

产品型号:

ST8024CDR

Operating Temperature (°C)

Min:

Max:

代理商名称

代理商库存报告日期:

ST8024CTR NRND

Budgetary Price (US$)*/Qty:
-
包:
包装类型:
RoHS:
Country of Origin:
ECCN (US):
ECCN (EU):

产品型号:

ST8024CTR

Operating Temperature (°C)

Min:

Max:

代理商名称

代理商库存报告日期:

Swipe or click the button to explore more details Don't show this again

(*) 建议转售单价(美元)仅用于预算用途。如需以当地货币计价的报价,请联系您当地的 ST销售办事处 或我们的 经销商