Loading spinner

TS556

批量生产
Design Win

低功耗双路CMOS定时器

下载数据手册 Order Direct

产品概述

描述

The TS556 is a dual CMOS timer which offers a very low consumption: (Icc(TYP)TS556 = 220 μA at VCC = 5 V versus Icc(TYP) NE556(a)= 6 mA),

and high frequency:(f(max.)TS556 = 2.7 MHz versus f(max.)NE556(a)= 0.1 MHz)

In both monostable and astable modes, timing remains very accurate.

The TS556 provides reduced supply current spikes during output transitions, which enables the use of lower decoupling capacitors compared to those required by bipolar NE556(a).

Due to the high input impedance (1012 Ω), timing capacitors can also be minimized.

  • 所有功能

    • Very low power consumption:
      • 220 μA typ at VCC= 5 V
      • 180 μA typ at VCC= 3 V
    • High maximum astable frequency 2.7 MHz
    • Pin-to-pin and functionally compatible with bipolar NE5561
    • Wide voltage range: 2 V to 16 V
    • Supply current spikes reduced during output transitions
    • High input impedance: 1012Ω
    • Output compatible with TTL, CMOS and logic MOS

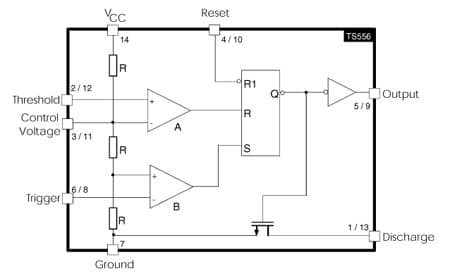
电路原理图

EDA符号、封装和3D模型

意法半导体 - TS556

Speed up your design by downloading all the EDA symbols, footprints and 3D models for your application. You have access to a large number of CAD formats to fit with your design toolchain.

Please select one model supplier :

Symbols

符号

Footprints

封装

3D model

3D模型

质量与可靠性

产品型号 Marketing Status 等级规格 符合RoHS级别 Longevity Commitment Longevity Starting Date 材料声明**
TS556IDTTR
批量生产
SO-14 工业 Ecopack3 - -

TS556IDTTR

Package:

SO-14

Material Declaration**:

PDF XML

Marketing Status

批量生产

Package

SO-14

Grade

Industrial

RoHS Compliance Grade

Ecopack3

(**) st.com上提供的材料声明表单可能是基于包装系列中最常用的封装的通用文档。因此,它们可能不是100%适用于特定的设备。有关特定设备的信息,请联系 销售支持

样片和购买

Loading...
Swipe or click the button to explore more details Don't show this again
产品型号
供货状态
Budgetary Price (US$)*/Qty
从ST订购
Order from distributors
包装类型
RoHS
Country of Origin
ECCN (US)
ECCN (EU)
Operating temperature (°C)
最小值
最大值
TS556IDTTR
Available at distributors

经销商的可用性 TS556IDTTR

代理商名称
地区 库存 最小订购量 第三方链接

代理商库存报告日期:

无法联系到经销商,请联系我们的销售办事处

TS556IDTTR 批量生产

Budgetary Price (US$)*/Qty:
-
包:
包装类型:
RoHS:
Country of Origin:
ECCN (US):
ECCN (EU):

产品型号:

TS556IDTTR

Operating Temperature (°C)

Min:

Max:

代理商名称

代理商库存报告日期:

Swipe or click the button to explore more details Don't show this again

(*) 建议转售单价(美元)仅用于预算用途。如需以当地货币计价的报价,请联系您当地的 ST销售办事处 或我们的 经销商