TDA7705
Obsolete
Design Win
高度集成的调谐器

Download datasheet

产品概述

描述

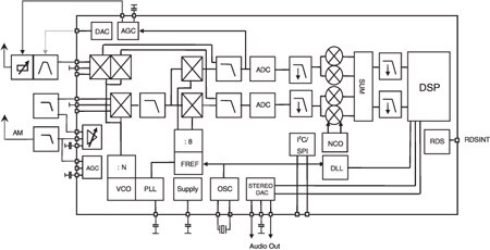
The TDA7705 highly integrated tuner (HIT) is a new generation of high performance tuners for carradio applications.

It contains mixers and IF amplifiers for AM and FM, fully integrated VCO and PLL synthesizer, IF-processing including adaptive bandwidth control, stereo decoder and RDS decoder on a single chip.

The utilization of digital signal processing results in numerous advantages against today's tuners: very low number of external components, very small space occupation and easy application, very high selectivity due to digital filters, high flexibility by software control and automatic alignment.

  • All features

    • I2C/SPI bus controlled
    • High performance stereodecoder with noiseblanker
    • LQFP64 package
    • Single 5 V supply
    • Integrated IF-filters with high selectivity, high dynamic range and adaptive bandwidth control
    • Digital IF signal processing, high performance and drift-free
    • Fully integrated VCO for world tuning
    • AM/FM mixers with high image rejection
    • High performance PLL for fast RDS system
    • Automatic self alignment for preselection and image rejection
    • RDS demodulation with group and block synchronization
    • Integrated AM-LNA and AM-PINDIODE

电路原理图

EDA Symbols, Footprints and 3D Models

STMicroelectronics - TDA7705

Speed up your design by downloading all the EDA symbols, footprints and 3D models for your application. You have access to a large number of CAD formats to fit with your design toolchain.

Please select one model supplier :

Symbols

Symbols

Footprints

Footprints

3D model

3D models