TDA7419
Obsolete
Design Win
3频带汽车音频处理器

Download datasheet

Product overview

描述

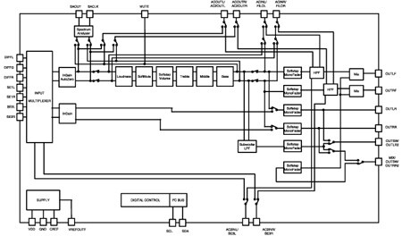
The TDA7419 is a high performance signal processor specifically designed for car radio applications. The device includes a high performance audioprocessor with fully integrated audio filters.

The digital control allows programming in a wide range of filter characteristics. By the use of BICMOS-process and linear signal processing low distortion and low noise are obtained.

  • All features

    • Soft-step speaker/subwoofer control
    • Sub woofer output
    • Digital control:I2C bus interface
    • 4 stereo inputs
    • Bass, middle, treble and loudness
    • Soft-step volume
    • Four independent speaker outputs
    • 7 bands spectrum analyzer
    • Direct mute and soft-mute

电路原理图

EDA Symbols, Footprints and 3D Models

STMicroelectronics - TDA7419

Speed up your design by downloading all the EDA symbols, footprints and 3D models for your application. You have access to a large number of CAD formats to fit with your design toolchain.

Please select one model supplier :

Symbols

Symbols

Footprints

Footprints

3D model

3D models