TDA7342

已停产
Design Win

音频处理器

下载数据手册

产品概述

描述

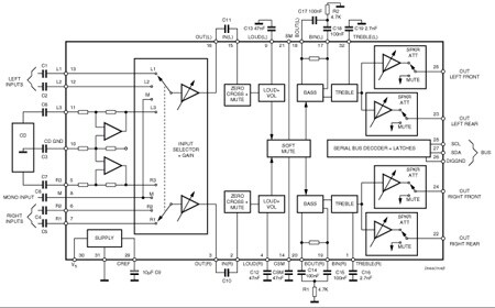
The audioprocessor TDA7342 is an upgrade of the TDA731X audioprocessor family.

Due to a highly linear signal processing, using CMOS-switching techniques instead of standard bipolar multipliers, very low distortion and very low noise are obtained. Several new features like softmute, and zero-crossing mute are implemented. The soft Mute function can be activated in two ways: Via serial bus (Mute byte, bit D0) Directly on pin 21 through an I/O line of the microcontroller

Very low DC stepping is obtained by use of a BICMOS technology.

  • 所有功能

    • All functions programmable via serial I2C bus
    • Four speaker attenuatorsFour independent speakers control in 1.25dB steps for balance and fader facilitiesIndependent mute function
    • Input multiplexerTwo stereo and one mono inputsOne quasi differential inputSelectable input gain for optimal adaptation to different sources
    • Volume control in 0.3dB steps including gain up to 20dB
    • Fully programmable loudness function
    • Bass and treble control
    • Zero crossing mute, soft mute and direct mute

电路原理图

EDA符号、封装和3D模型

意法半导体 - TDA7342

Speed up your design by downloading all the EDA symbols, footprints and 3D models for your application. You have access to a large number of CAD formats to fit with your design toolchain.

Please select one model supplier :

Symbols

符号

Footprints

封装

3D model

3D模型