Loading spinner

VND5E025MK-E

批量生产
Design Win

支持模拟电流感应的双通道高侧驱动器,用于汽车应用

下载数据手册 Order Direct

产品概述

描述

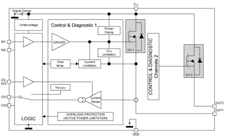
The VND5E025MK-E is a double-channel highside drivers manufactured in the ST proprietary VIPower™ M0-5 technology and housed in the tiny PowerSSO-24 package.

The VND5E025MK-E is designed to drive 12V automotive grounded loads delivering protection, diagnostics and easy 3V and 5V CMOS compatible interface with any microcontroller.

The device integrates advanced protective functions such as load current limitation, inrush and overload active management by power limitation, overtemperature shut-off with auto-restart and overvoltage active clamp.

A dedicated analog current sense pin is associated with every output channel in order to provide Enhanced diagnostic functions including fast detection of overload and short-circuit to ground through power limitation indication and overtemperature indication.

The current sensing and diagnostic feedback of the whole device can be disabled by pulling the CS_DIS pin high to allow sharing of the external sense resistor with other similar devices.

  • 所有功能

    • GeneralInrush current active management by power limitationVery low standby current3.0V CMOS compatible inputsOptimized electromagnetic emissionsVery low electromagnetic susceptibilityIn compliance with the 2002/95/EC european directiveVery low current sense leakage
    • ProtectionsUndervoltage shutdownOvervoltage clampLoad current limitationSelf limiting of fast thermal transientsProtection against loss of ground and loss of VCCOvertemperature shutdown with auto restart (thermal shutdown)Reverse battery protected Electrostatic discharge protection
    • Diagnostic functionsProportional load current senseHigh current sense precision for wide currents rangeCurrent sense disableOverload and short to ground (power limitation) indicationThermal shutdown indication

电路原理图

EDA符号、封装和3D模型

意法半导体 - VND5E025MK-E

Speed up your design by downloading all the EDA symbols, footprints and 3D models for your application. You have access to a large number of CAD formats to fit with your design toolchain.

Please select one model supplier :

Symbols

符号

Footprints

封装

3D model

3D模型

质量与可靠性

产品型号 Marketing Status 等级规格 符合RoHS级别 Longevity Commitment Longevity Starting Date 材料声明**
VND5E025MKTR-E
批量生产
PowerSSO 24 汽车应用 Ecopack2 - -

VND5E025MKTR-E

Package:

PowerSSO 24

Material Declaration**:

PDF XML

Marketing Status

批量生产

Package

PowerSSO 24

Grade

Automotive

RoHS Compliance Grade

Ecopack2

(**) st.com上提供的材料声明表单可能是基于包装系列中最常用的封装的通用文档。因此,它们可能不是100%适用于特定的设备。有关特定设备的信息,请联系 销售支持

样片和购买

Loading...
Swipe or click the button to explore more details Don't show this again
产品型号
供货状态
Budgetary Price (US$)*/Qty
从ST订购
Order from distributors
包装类型
RoHS
Country of Origin
ECCN (US)
ECCN (EU)
VND5E025MKTR-E
Available at distributors

经销商的可用性 VND5E025MKTR-E

代理商名称
地区 库存 最小订购量 第三方链接

代理商库存报告日期:

无法联系到经销商,请联系我们的销售办事处

VND5E025MKTR-E 批量生产

Budgetary Price (US$)*/Qty:
-
包:
包装类型:
RoHS:
Country of Origin:
ECCN (US):
ECCN (EU):

产品型号:

VND5E025MKTR-E

代理商名称

代理商库存报告日期:

Swipe or click the button to explore more details Don't show this again

(*) 建议转售单价(美元)仅用于预算用途。如需以当地货币计价的报价,请联系您当地的 ST销售办事处 或我们的 经销商