Loading spinner

VND5004A-E

批量生产
Design Win

支持模拟电流感应的双通道4 mΩ高侧驱动器,用于汽车应用

下载数据手册 Order Direct

产品概述

描述

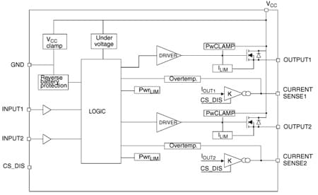
The VND5004A-E and VND5004ASP30-E are devices made using STMicroelectronics VIPower technology. They are intended for driving resistive or inductive loads with one side connected to ground. Active VCC pin voltage clamp and load dump protection circuit protect the devices against transients on the Vcc pin. These devices integrate an analog current sense which delivers a current proportional to the load current (according to a known ratio) when CS_DIS is driven low or left open. When CS_DIS is driven high, the CURRENT SENSE pin is high impedance. Output current limitation protects the devices in overload condition. In case of long duration overload, the devices limit the dissipated power to a safe level up to thermal shutdown intervention. Thermal shutdown with automatic restart allows the device to recover normal operation as soon as a fault condition disappears.

  • 所有功能

    • AEC-Q100 qualified
    • General
      • Inrush current active management by power limitation
      • Very low stand-by current
      • 3.0 V CMOS compatible input
      • Optimized electromagnetic emission
      • Very low electromagnetic susceptibility
      • In compliance with the 2002/95/EC European directive
    • Diagnostic functions
      • Proportional load current sense
      • Current sense disable
      • Thermal shutdown indication
    • Protection
      • Undervoltage shutdown
      • Overvoltage clamp
      • Load current limitation
      • Thermal shutdown
      • Self limiting of fast thermal transients
      • Protection against loss of ground and loss of VCC
      • Reverse battery protection with self switch-on of the PowerMOS
      • Electrostatic discharge protection

电路原理图

EDA符号、封装和3D模型

意法半导体 - VND5004A-E

Speed up your design by downloading all the EDA symbols, footprints and 3D models for your application. You have access to a large number of CAD formats to fit with your design toolchain.

Please select one model supplier :

Symbols

符号

Footprints

封装

3D model

3D模型

质量与可靠性

产品型号 Marketing Status 等级规格 符合RoHS级别 Longevity Commitment Longevity Starting Date 材料声明**
VND5004ATR-E
批量生产
QFPN PW 24 12x12x2.1 汽车应用 Ecopack2 - -

VND5004ATR-E

Package:

QFPN PW 24 12x12x2.1

Material Declaration**:

PDF XML

Marketing Status

批量生产

Package

QFPN PW 24 12x12x2.1

Grade

Automotive

RoHS Compliance Grade

Ecopack2

(**) st.com上提供的材料声明表单可能是基于包装系列中最常用的封装的通用文档。因此,它们可能不是100%适用于特定的设备。有关特定设备的信息,请联系 销售支持

样片和购买

Loading...
Swipe or click the button to explore more details Don't show this again
产品型号
供货状态
Budgetary Price (US$)*/Qty
从ST订购
Order from distributors
包装类型
RoHS
Country of Origin
ECCN (US)
ECCN (EU)
VND5004ATR-E
Available at distributors

经销商的可用性 VND5004ATR-E

代理商名称
地区 库存 最小订购量 第三方链接

代理商库存报告日期:

无法联系到经销商,请联系我们的销售办事处

VND5004ATR-E 批量生产

Budgetary Price (US$)*/Qty:
-
包:
包装类型:
RoHS:
Country of Origin:
ECCN (US):
ECCN (EU):

产品型号:

VND5004ATR-E

代理商名称

代理商库存报告日期:

Swipe or click the button to explore more details Don't show this again

(*) 建议转售单价(美元)仅用于预算用途。如需以当地货币计价的报价,请联系您当地的 ST销售办事处 或我们的 经销商