L9848
Active
Design Win
八通道可配置低/高边驱动器

Download datasheet

Product overview

描述

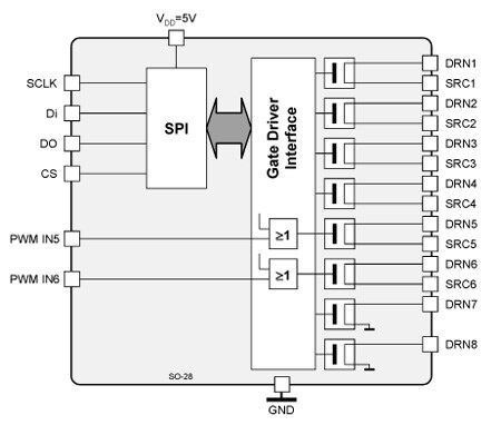
The L9848 IC is a highly flexible monolithic medium current output driver that incorporates 2 dedicated low side outputs (outputs 7-8) and 6 outputs that can be used as either internal low or high side drives in any combination (outputs 1-6).

In addition, 2 outputs are capable of being PWMed via an external pin (outputs 5-6). The integrated standard serial peripheral interface (SPI) controls all outputs and provides diagnostic information.

Integrated clamping circuits, waveshaping, protection against positive and negative voltage transients and thermal shutdown for all outputs open a wide range of automotive and industrial applications

  • All features

    • Configurable up to 6 high side drivers
    • RDSON = max.1.5 Ω @ Tj= 25 °C
    • Current limit of each output at min. 0.8 A
    • Supply voltage 4.75 V to 5.25 V
    • Output voltage clamping min. 35 V (low side mode)
    • Output voltage clamping -30 V (high side mode)
    • SPI interface for data communication
    • Additional PWM inputs for 2 outputs
    • Thermal shutdown for all outputs
    • Open load detection in off mode
    • Reverse battery protection for outputs (amb)
    • Ground disconnection for high side configured outputs

电路原理图

EDA Symbols, Footprints and 3D Models

STMicroelectronics - L9848

Speed up your design by downloading all the EDA symbols, footprints and 3D models for your application. You have access to a large number of CAD formats to fit with your design toolchain.

Please select one model supplier :

Symbols

Symbols

Footprints

Footprints

3D model

3D models

Quality and Reliability

Part Number Marketing Status Package Grade 符合RoHS级别 Longevity Commitment Longevity Starting Date Material Declaration**
L9848
Active
SO-28 Automotive Ecopack1 - -
L9848TR
Active
SO-28 Automotive Ecopack1 - -

L9848

Package:

SO-28

Material Declaration**:

PDF XML

Marketing Status

Active

Package

SO-28

Grade

Automotive

RoHS Compliance Grade

Ecopack1

L9848TR

Package:

SO-28

Material Declaration**:

PDF XML

Marketing Status

Active

Package

SO-28

Grade

Automotive

RoHS Compliance Grade

Ecopack1

(**) st.com上提供的材料声明表单可能是基于包装系列中最常用的封装的通用文档。因此,它们可能不是100%适用于特定的设备。有关特定设备的信息,请联系 销售支持

Sample & Buy

Loading...
Part Number
供货状态
Budgetary Price (US$)*/Qty
从ST订购
Order from distributors
Package
Packing Type
RoHS
Country of Origin
ECCN (US)
ECCN (EU)
L9848

经销商的可用性 L9848

代理商名称
地区 Stock 最小订购量 第三方链接

代理商库存报告日期:

无法联系到经销商,请联系我们的销售办事处
L9848TR

经销商的可用性 L9848TR

代理商名称
地区 Stock 最小订购量 第三方链接

代理商库存报告日期:

无法联系到经销商,请联系我们的销售办事处

L9848 Active

Budgetary Price (US$)*/Qty:
-
Package:
Packing Type:
RoHS:
Country of Origin:
ECCN (US):
ECCN (EU):

Part Number:

L9848

代理商名称

代理商库存报告日期:

L9848TR Active

Budgetary Price (US$)*/Qty:
-
Package:
Packing Type:
RoHS:
Country of Origin:
ECCN (US):
ECCN (EU):

Part Number:

L9848TR

代理商名称

代理商库存报告日期:

(*) 建议转售单价(美元)仅用于预算用途。如需以当地货币计价的报价,请联系您当地的 ST销售办事处 或我们的 经销商