L5958
Active
Design Win
具有复位和电池电压警告功能的可切换线性稳压器

Download datasheet

Product overview

描述

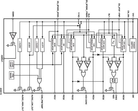
The L5958 includes 6 linear voltage regulators and a 2 A power switch, working down to 4.5 V battery level. All the voltage regulators can be switched off through the three enable pins.

The two 3.3 V (REG5) and 1.8 V (REG6) stand-by regulators can reach a quasi-zero current consumption when switched off.

The device is equipped with two different reset buffers to control the operating voltages: the reset which checks the two stand-by outputs, 3.3V and 1.8 V, and the VDD core reset which checks the linear switched outputs, 3.3 V and 1.8 V. It is also equipped with two different battery voltage warnings, provided by the Hold CAN and the Hold audio detectors, with the possibility to program the lower threshold through an external resistance.

The ignition buffer completes the device.

A backup function is available through two pins which needs to be connected to two independent capacitors: one for the 3.3 V and 1.8 V linear switched outputs and one for the 3.3 V and 1.8 V standby outputs.

  • All features

    • L5958 six outputs:
      • 8.5 V @ 200 mA
      • 5.0 V @ 300 mA
      • 3.3 V @ 250 mA
      • 1.8 V @ 350 mA
      • 3.3 V @ 100 mA standby
      • 1.8 V @ 100 mA standby
    • 2 A high side driver
    • Reset function
    • VDD core reset function
    • Battery audio warning
    • Battery can warning
    • Ignition comparator
    • Load dump protection
    • Thermal shutdown
    • Overcurrent limitation
    • All pin ESD protected

电路原理图

EDA Symbols, Footprints and 3D Models

STMicroelectronics - L5958

Speed up your design by downloading all the EDA symbols, footprints and 3D models for your application. You have access to a large number of CAD formats to fit with your design toolchain.

Please select one model supplier :

Symbols

Symbols

Footprints

Footprints

3D model

3D models

Quality and Reliability

Part Number Marketing Status Package Grade 符合RoHS级别 Longevity Commitment Longevity Starting Date Material Declaration**
L5958SM
Active
OUTLINE FW 27 SMD Automotive Ecopack2 - -
L5958SMTR
Active
OUTLINE FW 27 SMD Automotive Ecopack2 - -

L5958SM

Package:

OUTLINE FW 27 SMD

Material Declaration**:

PDF XML

Marketing Status

Active

Package

OUTLINE FW 27 SMD

Grade

Automotive

RoHS Compliance Grade

Ecopack2

L5958SMTR

Package:

OUTLINE FW 27 SMD

Material Declaration**:

PDF XML

Marketing Status

Active

Package

OUTLINE FW 27 SMD

Grade

Automotive

RoHS Compliance Grade

Ecopack2

(**) st.com上提供的材料声明表单可能是基于包装系列中最常用的封装的通用文档。因此,它们可能不是100%适用于特定的设备。有关特定设备的信息,请联系 销售支持

Sample & Buy

Loading...
Part Number
供货状态
Budgetary Price (US$)*/Qty
从ST订购
Order from distributors
Package
Packing Type
RoHS
Country of Origin
ECCN (US)
ECCN (EU)
Operating temperature (°C)
最小值
最大值
L5958SM

经销商的可用性 L5958SM

代理商名称
地区 Stock 最小订购量 第三方链接

代理商库存报告日期:

无法联系到经销商,请联系我们的销售办事处
L5958SMTR

经销商的可用性 L5958SMTR

代理商名称
地区 Stock 最小订购量 第三方链接

代理商库存报告日期:

无法联系到经销商,请联系我们的销售办事处

L5958SM Active

Budgetary Price (US$)*/Qty:
-
Package:
Packing Type:
RoHS:
Country of Origin:
ECCN (US):
ECCN (EU):

Part Number:

L5958SM

Operating Temperature (°C)

Min:

Max:

代理商名称

代理商库存报告日期:

L5958SMTR Active

Budgetary Price (US$)*/Qty:
-
Package:
Packing Type:
RoHS:
Country of Origin:
ECCN (US):
ECCN (EU):

Part Number:

L5958SMTR

Operating Temperature (°C)

Min:

Max:

代理商名称

代理商库存报告日期:

(*) 建议转售单价(美元)仅用于预算用途。如需以当地货币计价的报价,请联系您当地的 ST销售办事处 或我们的 经销商