Loading spinner

具有点火比较器、复位、过流保护和3.3V独立使能稳压器的稳压器

下载数据手册

产品概述

描述

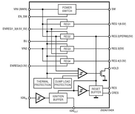
The L5956 contains a triple voltage regulator and a power switch.

The IC includes a monitoring circuit for detection.

The IC features a very low quiescent under standby.

  • 所有功能

    • Four outputs:
      • 8.5 V @ 500 mA
      • 5 V @ 300 mA permanent
      • 5 V @ 800 mA
      • 3.3 V @ 800 mA
    • 2 A high side driver
    • Reset function
    • Ignition comparator
    • Load dump protection
    • Thermal shutdown
    • Overcurrent limitation
    • All pins ESD protected

电路原理图

EDA符号、封装和3D模型

意法半导体 - L5956

Speed up your design by downloading all the EDA symbols, footprints and 3D models for your application. You have access to a large number of CAD formats to fit with your design toolchain.

Please select one model supplier :

Symbols

符号

Footprints

封装

3D model

3D模型

质量与可靠性

产品型号 Marketing Status 等级规格 符合RoHS级别 Longevity Commitment Longevity Starting Date 材料声明**
L5956PD
NRND
PowerSO-20 汽车应用 Ecopack2 - -
L5956PDTR
NRND
PowerSO-20 汽车应用 Ecopack2 - -

L5956PD

Package:

PowerSO-20

Material Declaration**:

PDF XML

Marketing Status

NRND

Package

PowerSO-20

Grade

Automotive

RoHS Compliance Grade

Ecopack2

L5956PDTR

Package:

PowerSO-20

Material Declaration**:

PDF XML

Marketing Status

NRND

Package

PowerSO-20

Grade

Automotive

RoHS Compliance Grade

Ecopack2

(**) st.com上提供的材料声明表单可能是基于包装系列中最常用的封装的通用文档。因此,它们可能不是100%适用于特定的设备。有关特定设备的信息,请联系 销售支持

样片和购买

Loading...
Swipe or click the button to explore more details Don't show this again
产品型号
供货状态
Budgetary Price (US$)*/Qty
从ST订购
Order from distributors
包装类型
RoHS
Country of Origin
ECCN (US)
ECCN (EU)
Operating temperature (°C)
最小值
最大值
L5956PD
Available at distributors

经销商的可用性 L5956PD

代理商名称
地区 库存 最小订购量 第三方链接

代理商库存报告日期:

无法联系到经销商,请联系我们的销售办事处
L5956PDTR
Available at distributors

经销商的可用性 L5956PDTR

代理商名称
地区 库存 最小订购量 第三方链接

代理商库存报告日期:

无法联系到经销商,请联系我们的销售办事处

L5956PD NRND

Budgetary Price (US$)*/Qty:
-
包:
包装类型:
RoHS:
Country of Origin:
ECCN (US):
ECCN (EU):

产品型号:

L5956PD

Operating Temperature (°C)

Min:

Max:

代理商名称

代理商库存报告日期:

L5956PDTR NRND

Budgetary Price (US$)*/Qty:
-
包:
包装类型:
RoHS:
Country of Origin:
ECCN (US):
ECCN (EU):

产品型号:

L5956PDTR

Operating Temperature (°C)

Min:

Max:

代理商名称

代理商库存报告日期:

Swipe or click the button to explore more details Don't show this again

(*) 建议转售单价(美元)仅用于预算用途。如需以当地货币计价的报价,请联系您当地的 ST销售办事处 或我们的 经销商