L4938EPD
NRND
Design Win
高级稳压器

Download datasheet

Product overview

描述

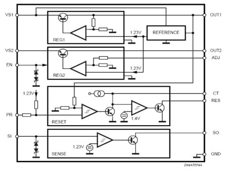
The L4938ED and L4938EPD are monolithic integrated dual voltage regulators with two very low dropout outputs and additional functions such as power-on reset and input voltage sense. They are designed for supplying microcomputer controlled systems especially in automotive applications.

  • All features

    • Output 2 voltage 5 V ± 2% with 400 mA current capability (ADJ wired to VOUT2)
    • High precision standby output voltage 5 V ± 1% with 100 mA current capability
    • Output 2 disable function for standby mode
    • Enable and sense inputs (EN, SI) protected against negative transients down to -5 V
    • Extremely low quiescent current, 65 μA (less than 90 μA) in standby mode
    • Reset threshold adjustable from 3.8 V to 4.7 V
    • Operating transient supply voltage up to 40 V
    • Output 2 voltage adjustable by external voltage divider
    • Operating DC supply voltage range 5 V - 28 V

电路原理图

EDA Symbols, Footprints and 3D Models

STMicroelectronics - L4938EPD

Speed up your design by downloading all the EDA symbols, footprints and 3D models for your application. You have access to a large number of CAD formats to fit with your design toolchain.

Please select one model supplier :

Symbols

Symbols

Footprints

Footprints

3D model

3D models

Quality and Reliability

Part Number Marketing Status Package Grade 符合RoHS级别 Material Declaration**
L4938EPD13TR
NRND
PowerSO-20 Automotive Ecopack2

L4938EPD13TR

Package:

PowerSO-20

Material Declaration**:

PDF

Marketing Status

NRND

Package

PowerSO-20

Grade

Automotive

RoHS Compliance Grade

Ecopack2

(**) st.com上提供的材料声明表单可能是基于包装系列中最常用的封装的通用文档。因此,它们可能不是100%适用于特定的设备。有关特定设备的信息,请联系 销售支持

Sample & Buy

Loading...
Part Number
供货状态
Budgetary Price (US$)*/Qty
从ST订购
Order from distributors
Package
Packing Type
RoHS
Country of Origin
ECCN (US)
ECCN (EU)
L4938EPD13TR

经销商的可用性 L4938EPD13TR

代理商名称
地区 Stock 最小订购量 第三方链接

代理商库存报告日期:

无法联系到经销商,请联系我们的销售办事处

L4938EPD13TR NRND

Budgetary Price (US$)*/Qty:
-
Package:
Packing Type:
RoHS:
Country of Origin:
ECCN (US):
ECCN (EU):

Part Number:

L4938EPD13TR

代理商名称

代理商库存报告日期:

(*) 建议转售单价(美元)仅用于预算用途。如需以当地货币计价的报价,请联系您当地的 ST销售办事处 或我们的 经销商