TDA7493
Obsolete
Design Win
3 W + 3 W dual BTL class-D audio amplifier

Download datasheet

Product overview

描述

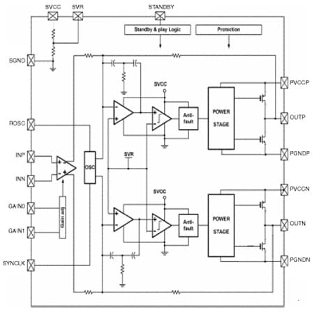
The TDA7493 is a dual BTL class-D audio amplifier, specially designed for LCD TV, LCD monitors or small speakers on cradles with single-supply operation.

The filterless operation allows the external component count to be reduced.

The TDA7493 is assembled in the HTSSOP24 package. Thanks to the high efficiency and to the exposed-pad-down (EPD) package no separate heatsink is required.

  • All features

    • 3.0 W + 3.0 W of continuous output power with RL = 4 Ω, THD = 10%, VCC= 5 V (filterless)
    • 2.8 W + 2.8 W of continuous output power with RL = 4 Ω, THD = 10%, VCC= 5 V (with filter)
    • Single supply voltage range 3.0 V to 5.5 V
    • High efficiency (η = 83%)
    • Four selectable, fixed gain settings of6 dB, 12 dB, 15.6 dB and 18 dB
    • Differential inputs minimize common-mode noise
    • Filterless operation
    • Standby feature
    • Short-circuit protection
    • Thermal-overload protection
    • Externally synchronizable

电路原理图

EDA Symbols, Footprints and 3D Models

STMicroelectronics - TDA7493

Speed up your design by downloading all the EDA symbols, footprints and 3D models for your application. You have access to a large number of CAD formats to fit with your design toolchain.

Please select one model supplier :

Symbols

Symbols

Footprints

Footprints

3D model

3D models