TDA7440
Active
Design Win
3频带音调控制音频处理器

Download datasheet Order Direct

Product overview

描述

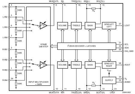
The TDA7440D is a volume tone (bass and treble) balance (Left/Right) processor for quality audio applications in Hi-Fi systems.

Selectable input gain is provided. Control of all the functions is accomplished by serial bus.

The AC signal setting is obtained by resistor networks and switches combined with operational amplifiers.

Thanks to the used BIPOLAR/CMOS Technology, Low Distortion, Low Noise and DC stepping are obtained

  • All features

    • ALL FUNCTION ARE PROGRAMMABLE VIA SERIAL BUS
    • INPUT MULTIPLEXER4 STEREO INPUTSSELECTABLE INPUT GAIN FOR OPTIMAL ADAPTATION TO DIFFERENT SOURCES
    • TREBLE AND BASS CONTROL IN 2.0dB STEPS
    • ONE STEREO OUTPUT
    • TWO SPEAKER ATTENUATORS:TWO INDEPENDENT SPEAKER CONTROL IN 1.0dB STEPS FOR BALANCE FACILITYINDEPENDENT MUTE FUNCTION
    • VOLUME CONTROL IN 1.0dB STEPS

电路原理图

EDA Symbols, Footprints and 3D Models

STMicroelectronics - TDA7440

Speed up your design by downloading all the EDA symbols, footprints and 3D models for your application. You have access to a large number of CAD formats to fit with your design toolchain.

Please select one model supplier :

Symbols

Symbols

Footprints

Footprints

3D model

3D models

Quality and Reliability

Part Number Marketing Status Package Grade 符合RoHS级别 Longevity Commitment Longevity Starting Date Material Declaration**
TDA7440D013TR
Active
SO-28 Industrial Ecopack1 (*) - -

TDA7440D013TR

Package:

SO-28

Material Declaration**:

PDF XML

Marketing Status

Active

Package

SO-28

Grade

Industrial

RoHS Compliance Grade

Ecopack1 (*)

(**) st.com上提供的材料声明表单可能是基于包装系列中最常用的封装的通用文档。因此,它们可能不是100%适用于特定的设备。有关特定设备的信息,请联系 销售支持

Sample & Buy

Loading...
Part Number
供货状态
Budgetary Price (US$)*/Qty
从ST订购
Order from distributors
Package
Packing Type
RoHS
Country of Origin
ECCN (US)
ECCN (EU)
TDA7440D013TR

经销商的可用性 TDA7440D013TR

代理商名称
地区 Stock 最小订购量 第三方链接

代理商库存报告日期:

无法联系到经销商,请联系我们的销售办事处

TDA7440D013TR Active

Budgetary Price (US$)*/Qty:
-
Package:
Packing Type:
RoHS:
Country of Origin:
ECCN (US):
ECCN (EU):

Part Number:

TDA7440D013TR

代理商名称

代理商库存报告日期:

(*) 建议转售单价(美元)仅用于预算用途。如需以当地货币计价的报价,请联系您当地的 ST销售办事处 或我们的 经销商