STA540SAN
Obsolete
Design Win
4 x 10W Power Amplifier

Download datasheet

Product overview

描述

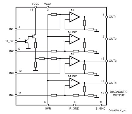
The STA540SAN contains four single-ended, class-AB audio amplifiers assembled in a Clipwatt15 package.

These amplifiers are used for high-quality sound applications. Each amplifier has integrated short-circuit and thermal protection and diagnostic functions. Two amplifiers can be paired up for applications requiring high power output.

  • All features

    • High output-power capability:
      • 4 x 9 W / 2 Ω at 12 V, 1 kHz, 10%
      • 4 x 10 W / 4 Ω at 17 V, 1 kHz, 10%
      • 2 x 26 W / 4 Ω at 14.4 V, 1 kHz, 10%
      • 2 x 15 W / 8 Ω at 16 V, 1 kHz, 10%
    • Minimum external component count:
      • No bootstrap capacitors
      • No Boucherot cells
      • Internally fixed gain of 20 dB
    • Standby function (CMOS compatible)
    • No audible pop during standby operations
    • Diagnostic facilities:
      • Clip detector
      • Out to GND short circuit
      • Out to VS short circuit
      • Soft short at turn-on
      • Thermal shutdown proximity
    • Protection for
      • Output AC/DC short circuit
      • Soft short circuit at turn-on
      • Thermal cut-off limiter to prevent chip from overheating
      • High inductive loads
      • ESD

电路原理图

EDA Symbols, Footprints and 3D Models

STMicroelectronics - STA540SAN

Speed up your design by downloading all the EDA symbols, footprints and 3D models for your application. You have access to a large number of CAD formats to fit with your design toolchain.

Please select one model supplier :

Symbols

Symbols

Footprints

Footprints

3D model

3D models